PN 10 flange dimensions
PN 10 flange dimensions
Trong ngành công nghiệp, mặt bích PN 10 đóng một vai trò quan trọng trong việc kết nối các ống dẫn và thiết bị khác nhau. Với khả năng chịu áp lực tốt và thiết kế tiêu chuẩn hóa, mặt bích này được sử dụng rộng rãi trong nhiều ứng dụng khác nhau. Bài viết này sẽ cung cấp một cái nhìn toàn diện về mặt bích PN 10, từ định nghĩa, lịch sử phát triển, lợi ích đến các thông số kỹ thuật và ứng dụng thực tiễn. Hãy cùng khám phá chi tiết về PN 10 flange dimensions để hiểu rõ hơn về tầm quan trọng và ứng dụng của nó trong công nghiệp.
Giới thiệu về mặt bích PN 10
Định nghĩa mặt bích PN 10 và vai trò của nó
Mặt bích PN 10 là một loại phụ kiện ống được sử dụng để kết nối các đường ống và thiết bị trong hệ thống dẫn chất lỏng và khí. Được thiết kế để chịu được áp suất lên đến 10 bar, mặt bích này thường được sử dụng trong các hệ thống có áp lực trung bình. Vai trò chính của mặt bích PN 10 là tạo ra một kết nối chắc chắn, đảm bảo tính kín khít và an toàn trong quá trình vận hành.

Lịch sử phát triển và ưu thế của mặt bích PN 10
Mặt bích PN 10 đã trải qua một quá trình phát triển dài, từ những thiết kế đơn giản ban đầu đến các tiêu chuẩn hiện đại ngày nay. Với sự tiến bộ của công nghệ, mặt bích này đã được cải tiến để đáp ứng các yêu cầu khắt khe hơn về độ bền và khả năng chịu áp lực. Ưu thế của mặt bích PN 10 nằm ở khả năng chịu áp lực tốt, dễ dàng lắp đặt và bảo trì, cùng với sự đa dạng về kích thước và chất liệu.
Lợi ích và hạn chế khi sử dụng mặt bích PN 10
Sử dụng mặt bích PN 10 mang lại nhiều lợi ích, bao gồm khả năng kết nối dễ dàng, tính linh hoạt trong thiết kế hệ thống và độ bền cao. Tuy nhiên, nó cũng có một số hạn chế như yêu cầu bảo trì định kỳ và có thể không phù hợp với các hệ thống có áp suất quá cao. Việc lựa chọn và sử dụng mặt bích PN 10 cần được cân nhắc kỹ lưỡng để đảm bảo hiệu quả và an toàn.
Phân loại và tiêu chuẩn hóa mặt bích PN 10
Phân loại mặt bích theo tiêu chuẩn quốc tế
Mặt bích PN 10 được phân loại theo các tiêu chuẩn quốc tế như ISO, DIN, và ANSI. Mỗi tiêu chuẩn có các quy định riêng về kích thước, vật liệu và áp suất làm việc. Việc tuân thủ các tiêu chuẩn này giúp đảm bảo tính tương thích và an toàn khi sử dụng mặt bích trong các hệ thống công nghiệp.
Chi tiết về tiêu chuẩn thiết kế và sản xuất
Tiêu chuẩn thiết kế và sản xuất mặt bích PN 10 bao gồm các quy định về kích thước, chất liệu và quy trình sản xuất. Các tiêu chuẩn này đảm bảo rằng mặt bích đáp ứng các yêu cầu về độ bền, khả năng chịu áp lực và độ kín khít. Việc tuân thủ các tiêu chuẩn này là yếu tố quan trọng để đảm bảo chất lượng và hiệu suất của mặt bích trong quá trình sử dụng.
Sự phù hợp của các PN 10 flange dimensions với các lĩnh vực khác nhau
PN 10 flange dimensions được thiết kế để phù hợp với nhiều lĩnh vực công nghiệp khác nhau, từ dầu khí, hóa chất đến thực phẩm và đồ uống. Việc lựa chọn tiêu chuẩn phù hợp với từng ứng dụng cụ thể là rất quan trọng để đảm bảo hiệu quả và an toàn trong quá trình vận hành.
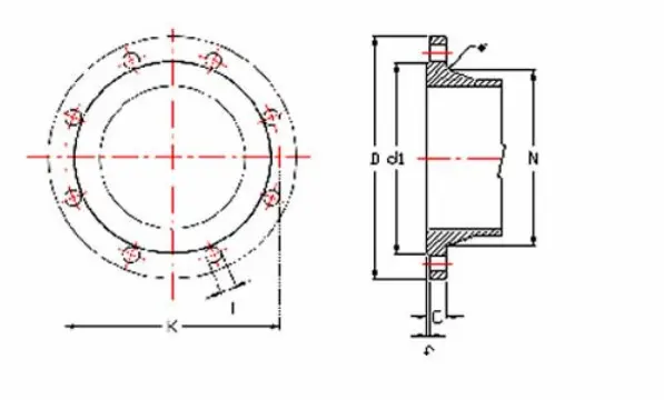
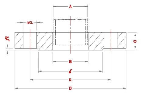
PN 10 Flange Dimensions
Đường kính trong và đường kính ngoài
PN 10 flange dimensions bao gồm đường kính trong và đường kính ngoài, là những yếu tố quan trọng ảnh hưởng đến khả năng kết nối và chịu áp lực của mặt bích. Đường kính trong xác định kích thước của ống mà mặt bích có thể kết nối, trong khi đường kính ngoài ảnh hưởng đến kích thước tổng thể và độ bền của mặt bích.
Độ dày và chiều cao của mặt bích
Độ dày và chiều cao của mặt bích PN 10 là các thông số quan trọng khác cần được xem xét. Độ dày ảnh hưởng đến khả năng chịu áp lực, trong khi chiều cao ảnh hưởng đến khả năng lắp đặt và kết nối với các thiết bị khác. Việc lựa chọn độ dày và chiều cao phù hợp là rất quan trọng để đảm bảo hiệu suất của mặt bích.

Số lượng và kích thước lỗ bu lông
Số lượng và kích thước lỗ bu lông của mặt bích PN 10 cũng là một yếu tố quan trọng trong thiết kế và lắp đặt. Các lỗ bu lông giúp cố định mặt bích và đảm bảo tính kín khít của kết nối. Việc lựa chọn số lượng và kích thước lỗ bu lông phù hợp là rất quan trọng để đảm bảo độ bền và an toàn của hệ thống.
Cách đọc và hiểu bảng thông số kỹ thuật
Để hiểu rõ hơn về mặt bích PN 10, việc đọc và hiểu bảng thông số kỹ thuật là rất quan trọng. Bảng thông số kỹ thuật cung cấp các thông tin chi tiết về kích thước, vật liệu và khả năng chịu áp lực của mặt bích. Việc hiểu rõ các thông số này giúp người sử dụng lựa chọn và sử dụng mặt bích một cách hiệu quả.
Vật liệu chế tạo và các yếu tố ảnh hưởng đến độ bền của mặt bích
Các loại vật liệu thường dùng và tính chất của chúng
Mặt bích PN 10 thường được chế tạo từ các loại vật liệu như thép carbon, thép không gỉ, và hợp kim đồng. Mỗi loại vật liệu có những tính chất riêng, ảnh hưởng đến khả năng chịu áp lực, độ bền và khả năng chống ăn mòn của mặt bích. Việc lựa chọn vật liệu phù hợp là yếu tố quan trọng để đảm bảo hiệu suất và tuổi thọ của mặt bích.
Tính phù hợp của từng loại vật liệu với các ứng dụng cụ thể
Mỗi loại vật liệu có tính phù hợp với các ứng dụng cụ thể khác nhau. Chẳng hạn, thép không gỉ thường được sử dụng trong các hệ thống có yêu cầu cao về khả năng chống ăn mòn, trong khi thép carbon thường được sử dụng trong các hệ thống có áp suất cao. Việc lựa chọn vật liệu phù hợp với từng ứng dụng cụ thể là rất quan trọng để đảm bảo hiệu quả và an toàn trong quá trình sử dụng.
Tiêu chí lựa chọn vật liệu hiệu quả và bền bỉ
Khi lựa chọn vật liệu cho mặt bích PN 10, cần xem xét các tiêu chí như khả năng chịu áp lực, độ bền, khả năng chống ăn mòn và chi phí. Việc lựa chọn vật liệu phù hợp không chỉ đảm bảo hiệu suất và tuổi thọ của mặt bích, mà còn giúp tối ưu hóa chi phí và đảm bảo an toàn trong quá trình sử dụng.
Ứng dụng thực tiễn và vai trò của mặt bích PN 10 trong công nghiệp
Vai trò của mặt bích trong ngành cơ khí và hóa chất
Mặt bích PN 10 đóng vai trò quan trọng trong ngành cơ khí và hóa chất, nơi yêu cầu các kết nối chắc chắn và an toàn giữa các ống dẫn và thiết bị. Với khả năng chịu áp lực tốt và thiết kế tiêu chuẩn hóa, mặt bích này đảm bảo tính kín khít và an toàn trong quá trình vận hành, là một phần không thể thiếu trong các hệ thống công nghiệp.
Các ứng dụng phổ biến của mặt bích PN 10 trong thực tế
Trong thực tế, mặt bích PN 10 được sử dụng rộng rãi trong nhiều ứng dụng khác nhau, từ hệ thống cấp thoát nước, hệ thống dầu khí, đến các nhà máy hóa chất và thực phẩm. Khả năng kết nối dễ dàng và độ bền cao là những yếu tố quan trọng giúp mặt bích này trở thành lựa chọn ưu tiên trong nhiều lĩnh vực công nghiệp.
Xu hướng mở rộng ứng dụng của mặt bích PN 10
Với sự phát triển của công nghệ và nhu cầu ngày càng cao của các ngành công nghiệp, xu hướng mở rộng ứng dụng của mặt bích PN 10 đang ngày càng rõ rệt. Khả năng chịu áp lực tốt và thiết kế tiêu chuẩn hóa giúp mặt bích này phù hợp với nhiều ứng dụng mới, từ các hệ thống năng lượng tái tạo đến các công nghệ sản xuất tiên tiến.
Hướng dẫn sử dụng và bảo trì mặt bích PN 10 đúng cách
Khả năng chịu áp lực và điều kiện vận hành lý tưởng
Mặt bích PN 10 được thiết kế để chịu được áp lực lên đến 10 bar, phù hợp với các hệ thống có áp suất trung bình. Để đảm bảo hiệu suất và độ bền của mặt bích, cần tuân thủ các điều kiện vận hành lý tưởng, bao gồm nhiệt độ và áp suất làm việc phù hợp, cũng như các yêu cầu về bảo trì và bảo dưỡng định kỳ.
Hướng dẫn bảo trì và bảo dưỡng định kỳ
Việc bảo trì và bảo dưỡng định kỳ là rất quan trọng để đảm bảo hiệu suất và tuổi thọ của mặt bích PN 10. Các công việc bảo trì bao gồm kiểm tra và thay thế các bộ phận bị mòn, làm sạch bề mặt và kiểm tra độ kín khít của các kết nối. Việc thực hiện bảo trì đúng cách giúp ngăn ngừa các sự cố và đảm bảo an toàn trong quá trình sử dụng.

Biện pháp đảm bảo an toàn trong quá trình sử dụng
Để đảm bảo an toàn trong quá trình sử dụng mặt bích PN 10, cần tuân thủ các quy định về an toàn lao động và sử dụng thiết bị bảo hộ khi lắp đặt và bảo trì. Ngoài ra, cần thường xuyên kiểm tra và giám sát các thông số kỹ thuật của hệ thống để phát hiện sớm các vấn đề và có biện pháp khắc phục kịp thời.
Kết luận và đánh giá xu hướng phát triển của mặt bích PN 10
Tóm tắt lợi ích của mặt bích PN 10
Mặt bích PN 10 mang lại nhiều lợi ích quan trọng trong các hệ thống công nghiệp, từ khả năng kết nối dễ dàng, độ bền cao đến khả năng chịu áp lực tốt. Với thiết kế tiêu chuẩn hóa và đa dạng về kích thước và chất liệu, mặt bích này đáp ứng được các yêu cầu khắt khe của nhiều lĩnh vực công nghiệp.
Khuyến nghị trong việc lựa chọn và sử dụng mặt bích PN 10
Khi lựa chọn và sử dụng mặt bích PN 10, cần xem xét các yếu tố như kích thước, vật liệu và tiêu chuẩn kỹ thuật để đảm bảo hiệu quả và an toàn. Việc lựa chọn đúng mặt bích không chỉ giúp tối ưu hóa chi phí mà còn đảm bảo độ bền và hiệu suất của hệ thống.
Xu hướng phát triển và đổi mới trong tương lai cho mặt bích PN 10
Trong tương lai, xu hướng phát triển và đổi mới của mặt bích PN 10 sẽ tiếp tục được thúc đẩy bởi nhu cầu ngày càng cao của các ngành công nghiệp. Các công nghệ mới và vật liệu tiên tiến sẽ giúp cải thiện độ bền và khả năng chịu áp lực của mặt bích, mở rộng phạm vi ứng dụng và nâng cao hiệu suất của các hệ thống công nghiệp.
Kết thúc bài viết, chúng tôi hy vọng rằng bạn đã có cái nhìn toàn diện về PN 10 flange dimensions và hiểu rõ hơn về vai trò và ứng dụng của mặt bích PN 10 trong công nghiệp. Hãy cân nhắc kỹ lưỡng khi lựa chọn và sử dụng mặt bích để đảm bảo hiệu quả và an toàn trong quá trình vận hành.
Rất mong các bạn quan tâm và theo dõi inoxmen.vn để cập nhật thông tin mới nhất về pn 10 flange dimensions!