Trong thế giới công nghiệp hiện đại, ống thép tròn phi 60 đã trở thành một trong những vật liệu không thể thiếu nhờ vào tính năng ưu việt và đa dạng ứng dụng. Với khả năng chịu lực tốt, chống ăn mòn, ...
Trong thế giới công nghiệp và xây dựng, việc lựa chọn vật liệu phù hợp là vô cùng quan trọng để đảm bảo chất lượng và độ bền cho các công trình. Một trong những vật liệu đang được ưa chuộng và sử dụng ...
Côn thu Trong thế giới công nghiệp hiện đại, sự phát triển của các thiết bị và công nghệ mới không ngừng diễn ra, trong đó đầu thu đóng vai trò vô cùng quan trọng. Côn thu không chỉ đơn giản là một bộ ...
Mặt bích ống nhựa HDPE Trong bối cảnh công nghiệp ngày càng phát triển, việc sử dụng các vật liệu mới và tiên tiến là điều không thể thiếu. Một trong những sản phẩm nổi bật trong lĩnh vực này chính là ...
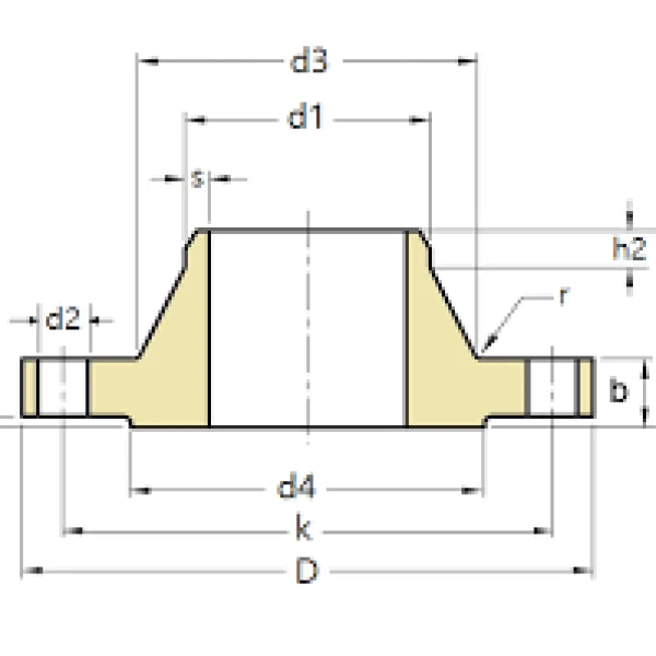
Trong thế giới công nghiệp hiện đại, mặt bích đen đóng vai trò quan trọng trong việc kết nối các ống và thiết bị. Được biết đến với độ bền cao và khả năng chống chịu áp suất lớn, mặt bích đen là một ...
Măng sông , một loại thực phẩm quen thuộc trong đời sống hàng ngày của người Việt Nam, không chỉ là một nguyên liệu ẩm thực phổ biến mà còn mang đến nhiều lợi ích sức khỏe đáng kể. Bài viết này sẽ ...
Flange inox 304 luôn là một trong những lựa chọn hàng đầu trong ngành công nghiệp nhờ vào đặc tính vượt trội của nó. Với khả năng chống ăn mòn, độ bền cao và tính ứng dụng rộng rãi, flange inox 304 đã ...
Mặt bích BS là một trong những thành phần quan trọng trong ngành công nghiệp, đóng vai trò thiết yếu trong việc kết nối các đường ống và thiết bị. Với sự phát triển không ngừng của công nghệ và nhu ...
Co Hàn Trong thế giới hiện đại, công nghệ hàn đóng một vai trò vô cùng quan trọng trong nhiều lĩnh vực công nghiệp. Từ việc xây dựng cơ sở hạ tầng, sản xuất thiết bị công nghiệp, đến việc chế tạo các ...
Rắc Co DN20 Trong thế giới công nghiệp hiện đại, việc lựa chọn các phụ kiện ống nước phù hợp là vô cùng quan trọng để đảm bảo hiệu suất và độ bền của hệ thống. Một trong những sản phẩm nổi bật được sử ...
