PN16 Flange Dimensions
PN16 Flange Dimensions
Trong thế giới công nghiệp và xây dựng, mặt bích đóng một vai trò quan trọng trong việc kết nối các hệ thống ống dẫn và thiết bị. Đặc biệt, mặt bích PN16 là một trong những loại mặt bích phổ biến nhất hiện nay, được sử dụng rộng rãi trong nhiều ứng dụng khác nhau. Bài viết này sẽ cung cấp một cái nhìn tổng quan về mặt bích PN16, từ định nghĩa, tính năng nổi bật, đến PN16 flange dimensions và kích thước cụ thể. Chúng tôi cũng sẽ so sánh mặt bích PN16 với các loại mặt bích khác, hướng dẫn lựa chọn và lắp đặt, cũng như dự đoán xu hướng phát triển trong tương lai. Hãy cùng khám phá chi tiết về mặt bích PN16 và tại sao nó lại quan trọng trong ngành công nghiệp hiện đại.
Giới Thiệu Về Mặt Bích PN16
Định Nghĩa và Tính Năng Nổi Bật của Mặt Bích PN16
Mặt bích PN16 là một loại mặt bích tiêu chuẩn được sử dụng để kết nối các ống dẫn trong các hệ thống công nghiệp. Nó được thiết kế để chịu được áp suất lên đến 16 bar, tương đương với 1600 kPa. Với khả năng chịu áp suất cao, mặt bích PN16 thường được sử dụng trong các hệ thống cấp nước, dầu khí, và các ngành công nghiệp hóa chất. Một trong những tính năng nổi bật của mặt bích PN16 là khả năng chống ăn mòn và độ bền cao, nhờ vào việc sử dụng các vật liệu chất lượng như thép không gỉ và hợp kim.
Lịch Sử Phát Triển và PN16 Flange Dimensions
Mặt bích PN16 đã trải qua một quá trình phát triển lâu dài, từ những ngày đầu của ngành công nghiệp đến nay. Ban đầu, các mặt bích được sản xuất theo các tiêu chuẩn riêng lẻ của từng quốc gia, nhưng với sự phát triển của thương mại quốc tế, việc tiêu chuẩn hóa trở nên cần thiết. Tiêu chuẩn PN16 được phát triển dựa trên các tiêu chuẩn quốc tế như ISO, EN, và DIN, đảm bảo tính tương thích và dễ dàng trong việc lắp đặt và thay thế trên toàn cầu.

Ứng Dụng Thực Tế trong Các Ngành Công Nghiệp
Mặt bích PN16 được ứng dụng rộng rãi trong nhiều ngành công nghiệp khác nhau. Trong ngành cấp nước, nó được sử dụng để kết nối các đường ống dẫn nước với các thiết bị xử lý nước. Trong ngành dầu khí, mặt bích PN16 được sử dụng trong các hệ thống dẫn dầu và khí đốt, đảm bảo an toàn và hiệu quả trong quá trình vận hành. Ngoài ra, trong ngành công nghiệp hóa chất, mặt bích PN16 được sử dụng để kết nối các bồn chứa và thiết bị xử lý hóa chất, nhờ vào khả năng chịu ăn mòn và áp suất cao.
Tầm Quan Trọng trong Thiết Kế và Xây Dựng Hệ Thống
Trong thiết kế và xây dựng hệ thống, mặt bích PN16 đóng vai trò quan trọng trong việc đảm bảo tính an toàn và hiệu quả của hệ thống. Việc lựa chọn mặt bích phù hợp giúp giảm thiểu nguy cơ rò rỉ và hỏng hóc, từ đó giảm thiểu chi phí bảo trì và sửa chữa. Hơn nữa, mặt bích PN16 còn giúp tối ưu hóa hiệu suất của hệ thống, đảm bảo hoạt động liên tục và ổn định.
PN16 Flange Dimensions và Kích Thước Cụ Thể của Mặt Bích PN16
Tiêu Chuẩn Sản Xuất Quốc Tế và Trong Nước cho Mặt Bích PN16
Mặt bích PN16 được sản xuất theo các tiêu chuẩn quốc tế và trong nước nhằm đảm bảo chất lượng và tính tương thích. Các tiêu chuẩn quốc tế như ISO 7005 và EN 1092-1 quy định các yêu cầu về kích thước, vật liệu, và thử nghiệm áp suất cho mặt bích PN16. Tại Việt Nam, tiêu chuẩn TCVN cũng được áp dụng để đảm bảo các sản phẩm mặt bích sản xuất trong nước đáp ứng các yêu cầu kỹ thuật và an toàn.
Thông Số Kỹ Thuật và Các Chỉ Tiêu Đo Lường
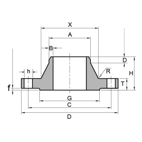
Mặt bích PN16 có các thông số kỹ thuật cụ thể bao gồm đường kính ngoài, đường kính lỗ, độ dày mặt bích, và số lượng lỗ bu lông. Các chỉ tiêu đo lường này được quy định rõ ràng trong các tiêu chuẩn, giúp đảm bảo tính chính xác và đồng nhất trong quá trình sản xuất và lắp đặt. Việc hiểu rõ các thông số kỹ thuật này là rất quan trọng để đảm bảo mặt bích hoạt động hiệu quả trong hệ thống.
Hướng Dẫn Đọc và Hiểu PN16 Flange Dimensions
Để đọc và hiểu PN16 flange dimensions, cần nắm vững các ký hiệu và đơn vị đo lường được sử dụng trong các bản vẽ kỹ thuật. Thông thường, kích thước mặt bích được biểu thị bằng các ký hiệu như DN (đường kính danh nghĩa) và PN (áp suất danh nghĩa). Việc nắm vững các ký hiệu này giúp dễ dàng lựa chọn và lắp đặt mặt bích phù hợp với yêu cầu của hệ thống.
Sai Số Phép Đo và Ảnh Hưởng đến Hiệu Suất của Mặt Bích PN16
Sai số phép đo là một yếu tố quan trọng cần xem xét khi lắp đặt mặt bích PN16. Sai số trong quá trình đo lường và sản xuất có thể ảnh hưởng đến hiệu suất và độ bền của mặt bích. Do đó, cần thực hiện các biện pháp kiểm tra và hiệu chuẩn chính xác để đảm bảo mặt bích hoạt động tốt trong điều kiện áp suất và nhiệt độ cao.
Các Tiêu Chuẩn Liên Quan Khác
Bên cạnh các PN16 flange dimensions, còn có các tiêu chuẩn liên quan khác như tiêu chuẩn về vật liệu, tiêu chuẩn về thử nghiệm áp suất, và tiêu chuẩn về an toàn. Các tiêu chuẩn này giúp đảm bảo mặt bích đáp ứng các yêu cầu kỹ thuật và an toàn trong quá trình sử dụng. Việc tuân thủ đầy đủ các tiêu chuẩn này là rất quan trọng để đảm bảo chất lượng và hiệu quả của hệ thống.

So Sánh Mặt Bích PN16 với Các Loại Mặt Bích Khác
Sự Khác Biệt về Kích Thước, Áp Suất, và Vật Liệu
Mặt bích PN16 khác biệt với các loại mặt bích khác ở các tiêu chí như kích thước, áp suất, và vật liệu. So với mặt bích PN10, mặt bích PN16 có khả năng chịu áp suất cao hơn, phù hợp cho các ứng dụng yêu cầu áp suất lớn. Về vật liệu, mặt bích PN16 thường được làm từ thép không gỉ hoặc hợp kim, mang lại độ bền và khả năng chống ăn mòn cao.
Ưu Điểm và Nhược Điểm của Mặt Bích PN16
Mặt bích PN16 có nhiều ưu điểm như khả năng chịu áp suất cao, độ bền và khả năng chống ăn mòn tốt. Tuy nhiên, nó cũng có một số nhược điểm như chi phí cao hơn so với các loại mặt bích có áp suất thấp hơn. Việc lựa chọn mặt bích PN16 cần cân nhắc kỹ lưỡng giữa hiệu suất và chi phí để đảm bảo tối ưu hóa hệ thống.
Lợi Ích và Hạn Chế của Các Loại Mặt Bích Khác
Các loại mặt bích khác như PN10, PN25, hay PN40 cũng có những lợi ích và hạn chế riêng. Mặt bích PN10 có chi phí thấp hơn nhưng khả năng chịu áp suất kém hơn. Mặt bích PN25 và PN40 có khả năng chịu áp suất cao nhưng chi phí sản xuất và lắp đặt cũng lớn hơn. Việc lựa chọn loại mặt bích phù hợp cần xem xét kỹ lưỡng các yếu tố kỹ thuật và kinh tế.
Lựa Chọn Mặt Bích Dựa trên Hiệu Suất và Chi Phí
Việc lựa chọn mặt bích phù hợp dựa trên hiệu suất và chi phí là một quyết định quan trọng trong thiết kế và xây dựng hệ thống. Mặt bích PN16 là lựa chọn lý tưởng cho các hệ thống yêu cầu áp suất cao và độ bền lâu dài. Tuy nhiên, cần cân nhắc giữa chi phí đầu tư và hiệu quả hoạt động để đưa ra quyết định tối ưu nhất.
Các Ứng Dụng Phổ Biến của Từng Loại Mặt Bích
Mỗi loại mặt bích có những ứng dụng phổ biến riêng. Mặt bích PN16 thường được sử dụng trong các hệ thống cấp nước và dầu khí. Mặt bích PN10 phù hợp cho các hệ thống có áp suất thấp như hệ thống thoát nước. Mặt bích PN25 và PN40 được sử dụng trong các ứng dụng yêu cầu áp suất rất cao như trong ngành công nghiệp hóa chất và năng lượng.
Quy Trình Lựa Chọn và Lắp Đặt Mặt Bích PN16
Các Yếu Tố Cần Xem Xét Khi Chọn Mặt Bích PN16
Khi chọn mặt bích PN16, cần xem xét các yếu tố như áp suất làm việc, nhiệt độ, và môi trường hoạt động. Việc lựa chọn vật liệu phù hợp cũng rất quan trọng để đảm bảo độ bền và khả năng chống ăn mòn của mặt bích. Ngoài ra, cần xem xét kích thước và tiêu chuẩn để đảm bảo tính tương thích và dễ dàng trong quá trình lắp đặt.
Nguyên Tắc và Lưu Ý Khi Lắp Đặt Mặt Bích PN16
Việc lắp đặt mặt bích PN16 cần tuân thủ các nguyên tắc và lưu ý để đảm bảo an toàn và hiệu quả. Trước khi lắp đặt, cần kiểm tra kỹ lưỡng các thông số kỹ thuật và đảm bảo mặt bích không bị hư hỏng. Quá trình lắp đặt cần thực hiện cẩn thận, đảm bảo các bu lông được siết chặt đúng cách để tránh rò rỉ.
Phương Pháp Bảo Trì và Bảo Dưỡng Mặt Bích PN16
Bảo trì và bảo dưỡng định kỳ là rất quan trọng để đảm bảo mặt bích PN16 hoạt động ổn định và lâu dài. Cần kiểm tra thường xuyên các kết nối và thực hiện các biện pháp bảo dưỡng như bôi trơn và làm sạch để ngăn ngừa ăn mòn và hỏng hóc. Việc bảo trì đúng cách giúp kéo dài tuổi thọ của mặt bích và giảm thiểu chi phí sửa chữa.
Kiểm Tra Định Kỳ và Biện Pháp An Toàn
Kiểm tra định kỳ là một phần không thể thiếu trong quy trình bảo trì mặt bích PN16. Cần thực hiện các kiểm tra áp suất và nhiệt độ để đảm bảo mặt bích hoạt động trong điều kiện an toàn. Ngoài ra, cần tuân thủ các biện pháp an toàn như sử dụng thiết bị bảo hộ và tuân thủ các quy định về an toàn lao động trong quá trình kiểm tra và bảo trì.
Kết Luận và Tương Lai của Mặt Bích PN16
Tóm Tắt Những Điểm Chính Về Mặt Bích PN16
Mặt bích PN16 là một thành phần quan trọng trong các hệ thống công nghiệp, với khả năng chịu áp suất cao và độ bền vượt trội. Nó được sử dụng rộng rãi trong nhiều ngành công nghiệp khác nhau nhờ vào tính linh hoạt và khả năng chống ăn mòn. Việc lựa chọn và lắp đặt mặt bích PN16 cần tuân thủ các tiêu chuẩn và quy trình kỹ thuật để đảm bảo hiệu quả và an toàn.

Tầm Quan Trọng của Kích Thước và Tiêu Chuẩn Chính Xác
Kích thước và tiêu chuẩn chính xác là rất quan trọng đối với mặt bích PN16. Việc tuân thủ các tiêu chuẩn giúp đảm bảo tính tương thích và hiệu quả của hệ thống. Sai số trong kích thước và tiêu chuẩn có thể dẫn đến các vấn đề về an toàn và hiệu suất, do đó cần thực hiện các biện pháp kiểm tra và hiệu chuẩn chính xác.
Xu Hướng Phát Triển trong Tương Lai và Công Nghệ Liên Quan
Trong tương lai, mặt bích PN16 dự kiến sẽ tiếp tục phát triển với các cải tiến về vật liệu và công nghệ sản xuất. Các công nghệ mới như in 3D và vật liệu composite có thể được áp dụng để cải thiện độ bền và khả năng chống ăn mòn của mặt bích. Xu hướng phát triển bền vững và tiết kiệm năng lượng cũng sẽ ảnh hưởng đến thiết kế và sản xuất mặt bích trong tương lai.
Khuyến Nghị cho Sử Dụng và Nghiên Cứu Tiếp Theo
Để sử dụng mặt bích PN16 hiệu quả, cần tuân thủ các quy trình lắp đặt và bảo trì đúng cách. Ngoài ra, cần tiếp tục nghiên cứu và phát triển các công nghệ mới để cải thiện chất lượng và hiệu suất của mặt bích. Việc hợp tác giữa các nhà sản xuất và các tổ chức nghiên cứu sẽ giúp thúc đẩy sự phát triển của ngành công nghiệp mặt bích.
Phụ Lục
Bảng Chi Tiết PN16 Flange Dimensions và Các Thông Số Kỹ Thuật Thông Dụng
Bảng chi tiết kích thước và các thông số kỹ thuật thông dụng của mặt bích PN16 cung cấp thông tin cần thiết để lựa chọn và lắp đặt mặt bích phù hợp. Các thông số bao gồm đường kính ngoài, đường kính lỗ, độ dày mặt bích, và số lượng lỗ bu lông. Việc nắm vững các thông số này giúp đảm bảo tính chính xác và hiệu quả trong quá trình lắp đặt.
Tài Liệu Tham Khảo và Nguồn Tài Liệu Bổ Sung
Tài liệu tham khảo và nguồn tài liệu bổ sung cung cấp thông tin chi tiết và cập nhật về các tiêu chuẩn và quy trình liên quan đến mặt bích PN16. Các tài liệu này bao gồm các tiêu chuẩn quốc tế như ISO, EN, và DIN, cũng như các tài liệu nghiên cứu và hướng dẫn kỹ thuật từ các tổ chức uy tín. Việc tham khảo các tài liệu này giúp đảm bảo tính chính xác và hiệu quả trong quá trình thiết kế và lắp đặt mặt bích.
Rất mong các bạn quan tâm và theo dõi inoxmen.vn để cập nhật thông tin mới nhất về pn16 flange dimensions!