Mặt bích đúc
Mặt bích đúc là một trong những thành phần quan trọng trong nhiều ngành công nghiệp hiện đại, từ dầu khí, hóa chất, đến công nghiệp chế tạo máy. Với khả năng chịu áp lực cao và độ bền vượt trội, mặt bích đúc đóng vai trò không thể thiếu trong việc kết nối các đường ống và thiết bị. Bài viết này sẽ cung cấp cho bạn cái nhìn toàn diện về mặt bích thép đúc, từ định nghĩa, lịch sử phát triển, quy trình sản xuất, đến các ứng dụng và xu hướng tương lai. Chúng ta sẽ khám phá sâu hơn về mặt bích thép đúc và hiểu rõ hơn về tầm quan trọng của nó trong công nghiệp. Hãy cùng bắt đầu với định nghĩa và chức năng của mặt bích thép đúc.
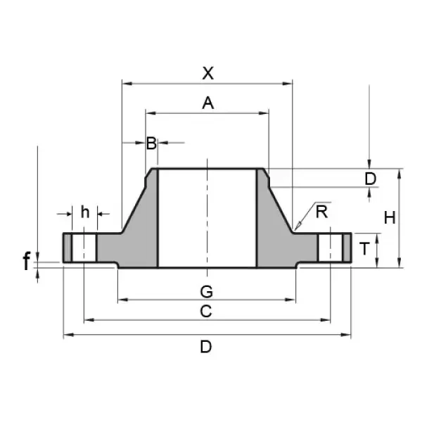
Mặt bích đúc: Định nghĩa và chức năng
Mặt bích đúc là một loại phụ kiện được sử dụng để kết nối các đường ống, van, bơm và các thiết bị khác trong hệ thống đường ống. Chúng được sản xuất bằng phương pháp đúc, tạo ra sản phẩm có độ bền cao và khả năng chịu áp lực lớn. Chức năng chính của mặt bích thép đúc là tạo ra một kết nối chắc chắn và an toàn giữa các bộ phận, đồng thời cho phép dễ dàng tháo lắp để bảo trì hoặc sửa chữa khi cần thiết. Mặt bích thép đúc có nhiều kích cỡ và kiểu dáng khác nhau để phù hợp với các yêu cầu cụ thể của từng ứng dụng.

Lịch sử và sự phát triển của mặt bích đúc
Nguồn gốc và lịch sử
Mặt bích thép đúc đã có lịch sử phát triển lâu đời, bắt nguồn từ nhu cầu kết nối các đường ống trong các hệ thống dẫn nước và khí đốt cổ đại. Qua các thời kỳ, công nghệ sản xuất mặt bích đã có nhiều cải tiến đáng kể, từ việc sử dụng các vật liệu đơn giản như đồng và sắt, đến việc áp dụng các công nghệ đúc tiên tiến để tạo ra các sản phẩm có độ bền và khả năng chịu áp lực vượt trội.
Các giai đoạn phát triển và cải tiến
Qua các thập kỷ, mặt bích thép đúc đã trải qua nhiều giai đoạn phát triển và cải tiến. Công nghệ đúc hiện đại cho phép sản xuất mặt bích với độ chính xác cao, bề mặt mịn và khả năng chống ăn mòn tốt hơn. Các tiêu chuẩn quốc tế và quốc gia cũng đã được thiết lập để đảm bảo chất lượng và độ an toàn của sản phẩm. Những cải tiến này không chỉ nâng cao hiệu suất của mặt bích thép đúc mà còn mở rộng phạm vi ứng dụng của chúng trong các ngành công nghiệp khác nhau.
Quá trình sản xuất mặt bích đúc
Các bước trong quy trình đúc mặt bích
Quy trình sản xuất mặt bích thép đúc bao gồm nhiều bước công phu, từ chuẩn bị khuôn đúc, đổ kim loại lỏng vào khuôn, đến làm nguội và gia công hoàn thiện. Mỗi bước đều yêu cầu kỹ thuật cao và sự chính xác để đảm bảo sản phẩm đạt chất lượng tối ưu. Quá trình này thường bắt đầu với việc thiết kế và chế tạo khuôn đúc phù hợp với kích thước và hình dạng của mặt bích cần sản xuất.
Vật liệu và tiêu chuẩn chất lượng
Vật liệu phổ biến nhất được sử dụng để sản xuất mặt bích thép đúc là thép carbon, thép không gỉ và hợp kim đặc biệt. Mỗi loại vật liệu đều có những ưu nhược điểm riêng và được lựa chọn dựa trên yêu cầu cụ thể của ứng dụng. Tiêu chuẩn chất lượng của mặt bích thép đúc thường được quy định bởi các tổ chức quốc tế như ASTM, ANSI, và ISO, nhằm đảm bảo sản phẩm đạt được các yêu cầu về độ bền, khả năng chịu áp lực và an toàn.
Các công nghệ tiên tiến trong đúc
Công nghệ đúc hiện đại đã có những bước tiến lớn với việc áp dụng các kỹ thuật tiên tiến như đúc chân không, đúc áp lực cao và đúc chính xác. Những công nghệ này giúp cải thiện chất lượng sản phẩm, giảm thiểu lỗi sản xuất và tăng cường khả năng cạnh tranh của mặt bích thép đúc trên thị trường. Việc áp dụng các công nghệ tiên tiến cũng giúp giảm thiểu tác động môi trường và nâng cao hiệu quả sản xuất.
Ứng dụng của mặt bích đúc trong công nghiệp
Ngành dầu khí
Trong ngành dầu khí, mặt bích thép đúc được sử dụng rộng rãi để kết nối các đường ống dẫn dầu và khí, đảm bảo an toàn và hiệu quả trong quá trình vận hành. Khả năng chịu áp lực cao và chống ăn mòn của mặt bích thép đúc là những yếu tố quan trọng giúp chúng hoạt động tốt trong môi trường khắc nghiệt của ngành dầu khí.
Ngành hóa chất
Ngành hóa chất yêu cầu các thiết bị và phụ kiện có khả năng chịu được sự ăn mòn của các hóa chất mạnh. Mặt bích thép đúc, đặc biệt là loại làm từ thép không gỉ hoặc hợp kim đặc biệt, là lựa chọn lý tưởng để đảm bảo an toàn và độ bền trong các hệ thống dẫn hóa chất.
Công nghiệp chế tạo máy
Trong công nghiệp chế tạo máy, mặt bích thép đúc được sử dụng để kết nối các bộ phận của máy móc, đảm bảo sự ổn định và chính xác trong quá trình vận hành. Chúng giúp giảm thiểu rung động và tăng cường độ bền của các thiết bị cơ khí.

Ngành công nghệ năng lượng
Ngành công nghệ năng lượng, bao gồm cả điện và năng lượng tái tạo, cũng sử dụng mặt bích thép đúc để kết nối các thiết bị và hệ thống dẫn nhiệt. Độ bền và khả năng chịu nhiệt của mặt bích thép đúc giúp chúng hoạt động hiệu quả trong các ứng dụng năng lượng cao.
Ưu và nhược điểm của mặt bích đúc
Ưu điểm
Mặt bích thép đúc có nhiều ưu điểm nổi bật như độ bền cao, khả năng chịu áp lực và nhiệt độ tốt, cũng như khả năng chống ăn mòn hiệu quả. Chúng dễ dàng tháo lắp, bảo trì và có thể tái sử dụng nhiều lần. Ngoài ra, mặt bích thép đúc còn có tính linh hoạt cao, có thể được sản xuất với nhiều kích cỡ và hình dạng khác nhau để phù hợp với các yêu cầu ứng dụng cụ thể.
Nhược điểm
Tuy nhiên, mặt bích thép đúc cũng có một số nhược điểm như chi phí sản xuất cao hơn so với các loại mặt bích khác, đặc biệt là khi yêu cầu các vật liệu và công nghệ đúc tiên tiến. Quá trình sản xuất phức tạp cũng đòi hỏi thời gian và nguồn lực lớn, điều này có thể làm tăng giá thành sản phẩm.
So sánh mặt bích đúc với mặt bích gia công
Điểm nổi bật và khác biệt chính
Mặt bích thép đúc và mặt bích gia công là hai loại mặt bích phổ biến trong công nghiệp, mỗi loại đều có những ưu nhược điểm riêng. Mặt bích thép đúc thường có độ bền và khả năng chịu áp lực cao hơn, trong khi mặt bích gia công thường có giá thành thấp hơn và dễ sản xuất hơn. Sự lựa chọn giữa hai loại mặt bích này phụ thuộc vào yêu cầu cụ thể của từng ứng dụng.
Ứng dụng phù hợp của mỗi loại
Mặt bích thép đúc thường được sử dụng trong các ứng dụng yêu cầu độ bền cao và khả năng chịu áp lực lớn, như trong ngành dầu khí và hóa chất. Trong khi đó, mặt bích gia công thường được sử dụng trong các ứng dụng có yêu cầu ít khắt khe hơn về độ bền và áp lực, như trong ngành chế tạo máy và xây dựng.
Các tiêu chuẩn kỹ thuật liên quan đến mặt bích thép đúc
Tiêu chuẩn quốc tế
Các tiêu chuẩn quốc tế như ASTM, ANSI, và ISO quy định các yêu cầu kỹ thuật cho mặt bích thép đúc, bao gồm các thông số về kích thước, vật liệu, độ bền và khả năng chịu áp lực. Những tiêu chuẩn này giúp đảm bảo chất lượng và an toàn của sản phẩm, đồng thời tạo điều kiện thuận lợi cho thương mại quốc tế.
Tiêu chuẩn Việt Nam
Tại Việt Nam, các tiêu chuẩn kỹ thuật cho mặt bích thép đúc cũng được quy định rõ ràng để đảm bảo an toàn và chất lượng sản phẩm trong các ứng dụng công nghiệp. Các tiêu chuẩn này thường dựa trên các tiêu chuẩn quốc tế nhưng có điều chỉnh để phù hợp với điều kiện và yêu cầu cụ thể của thị trường Việt Nam.
Các bước kiểm tra chất lượng mặt bích đúc
Phương pháp thử nghiệm và đánh giá
Kiểm tra chất lượng mặt bích thép đúc là một bước quan trọng trong quy trình sản xuất, nhằm đảm bảo sản phẩm đạt được các tiêu chuẩn kỹ thuật và an toàn. Các phương pháp thử nghiệm phổ biến bao gồm kiểm tra kích thước, kiểm tra độ bền kéo, và kiểm tra khả năng chịu áp lực. Mỗi phương pháp đều có mục đích riêng và đóng vai trò quan trọng trong việc đánh giá chất lượng sản phẩm.
Công cụ và thiết bị kiểm tra
Các công cụ và thiết bị kiểm tra chất lượng mặt bích thép đúc bao gồm máy đo kích thước, máy thử độ bền kéo, và thiết bị kiểm tra áp lực. Những công cụ này được sử dụng để thực hiện các phép đo chính xác và đánh giá khả năng chịu đựng của sản phẩm dưới các điều kiện làm việc khác nhau.
Lưu ý khi chọn và lắp đặt mặt bích thép đúc
Chọn mặt bích phù hợp với ứng dụng
Khi chọn mặt bích thép đúc, cần xem xét các yếu tố như kích thước, vật liệu, và khả năng chịu áp lực để đảm bảo sản phẩm phù hợp với yêu cầu của ứng dụng. Việc lựa chọn đúng loại mặt bích không chỉ giúp nâng cao hiệu suất hoạt động mà còn đảm bảo an toàn và độ bền của hệ thống.
Hướng dẫn lắp đặt mặt bích đúc
Việc lắp đặt mặt bích thép đúc cần tuân thủ các hướng dẫn kỹ thuật để đảm bảo kết nối chặt chẽ và an toàn. Các bước lắp đặt bao gồm chuẩn bị bề mặt, căn chỉnh các bộ phận, và siết chặt bu lông đúng lực. Đảm bảo rằng tất cả các bộ phận đều được lắp đặt chính xác và không có sự rò rỉ nào trong hệ thống.
Bảo trì và bảo dưỡng cập nhật
Bảo trì và bảo dưỡng định kỳ là cần thiết để duy trì hiệu suất và độ bền của mặt bích thép đúc. Các hoạt động bảo trì bao gồm kiểm tra độ chặt của bu lông, kiểm tra rò rỉ, và làm sạch bề mặt. Việc bảo dưỡng đúng cách không chỉ giúp kéo dài tuổi thọ của sản phẩm mà còn giảm thiểu rủi ro hỏng hóc và sự cố trong quá trình vận hành.

Xu hướng và tương lai của mặt bích thép đúc trong ngành công nghiệp
Các cải tiến công nghệ trong sản xuất
Công nghệ sản xuất mặt bích thép đúc đang không ngừng phát triển với những cải tiến đáng kể, từ việc sử dụng vật liệu mới đến áp dụng các quy trình sản xuất tiên tiến. Những cải tiến này không chỉ giúp nâng cao chất lượng sản phẩm mà còn giảm thiểu chi phí và tác động môi trường.
Dự báo phát triển thị trường
Thị trường mặt bích thép đúc dự kiến sẽ tiếp tục phát triển trong tương lai, nhờ vào nhu cầu ngày càng tăng từ các ngành công nghiệp như dầu khí, hóa chất và năng lượng. Sự phát triển của công nghệ và xu hướng chuyển đổi sang các nguồn năng lượng tái tạo cũng tạo ra nhiều cơ hội mới cho ngành công nghiệp mặt bích thép đúc.
Kết luận
Mặt bích thép đúc là một phần không thể thiếu trong nhiều ngành công nghiệp hiện đại, với vai trò quan trọng trong việc kết nối và đảm bảo an toàn cho các hệ thống đường ống và thiết bị. Với những ưu điểm vượt trội về độ bền, khả năng chịu áp lực và chống ăn mòn, mặt bích thép đúc đang ngày càng được ưa chuộng và sử dụng rộng rãi. Bài viết đã cung cấp cái nhìn toàn diện về mặt bích thép đúc, từ lịch sử phát triển, quy trình sản xuất, đến các ứng dụng và xu hướng tương lai. Hy vọng rằng, thông qua bài viết này, bạn đã có được những thông tin hữu ích và cái nhìn sâu sắc hơn về mặt bích thép đúc và tầm quan trọng của nó trong công nghiệp. Chúng ta hãy cùng chờ đón những bước tiến mới của mặt bích thép đúc trong tương lai, khi công nghệ và nhu cầu thị trường tiếp tục phát triển.
Rất mong các bạn quan tâm và theo dõi inoxmen.vn để cập nhật thông tin mới nhất về mặt bích đúc!