Flange PN10 Dimension
Flange PN10 Dimension
Trong thế giới công nghiệp hiện đại, mặt bích đóng vai trò quan trọng trong việc kết nối các hệ thống ống dẫn và thiết bị. Trong số các loại mặt bích, mặt bích PN10 nổi bật với những ưu điểm vượt trội về khả năng chịu áp suất và độ bền. Bài viết này sẽ cung cấp một cái nhìn tổng quan về mặt bích PN10, từ định nghĩa cơ bản đến các ứng dụng thực tiễn, giúp bạn hiểu rõ hơn về sản phẩm này. Chúng ta sẽ khám phá chi tiết về cấu tạo, flange PN10 dimension, kích thước và so sánh với các loại mặt bích khác. Hãy cùng khám phá để tìm ra những lợi ích mà mặt bích PN10 mang lại cho ngành công nghiệp!
Giới Thiệu về Mặt Bích PN10
Định Nghĩa và Khái Niệm Cơ Bản
Mặt bích PN10 là một loại phụ kiện ống được thiết kế để kết nối các đoạn ống hoặc thiết bị với nhau. "PN" là viết tắt của "Pressure Nominal", chỉ định áp suất danh nghĩa mà mặt bích có thể chịu được, và "10" là chỉ số áp suất, tương đương 10 bar. Mặt bích PN10 thường được sử dụng trong các hệ thống ống dẫn có áp suất trung bình, phù hợp cho nhiều ứng dụng công nghiệp khác nhau.

Lịch Sử Phát Triển và Nguồn Gốc
Mặt bích đã xuất hiện từ rất lâu trong ngành công nghiệp, và mặt bích PN10 cũng không ngoại lệ. Ban đầu, mặt bích được làm từ gang và sau đó phát triển thành thép không gỉ và các hợp kim khác để đáp ứng nhu cầu ngày càng cao của các ngành công nghiệp. Sự phát triển của công nghệ sản xuất và tiêu chuẩn hóa đã giúp mặt bích PN10 trở thành một lựa chọn phổ biến nhờ vào độ bền và khả năng chịu áp suất tốt.
Ứng Dụng trong Ngành Công Nghiệp
Mặt bích PN10 được ứng dụng rộng rãi trong nhiều lĩnh vực công nghiệp như dầu khí, hóa chất, nước, và năng lượng. Chúng thường được sử dụng trong các hệ thống cấp thoát nước, hệ thống xử lý nước thải, và các thiết bị truyền tải chất lỏng. Khả năng chịu áp suất và độ bền của mặt bích PN10 giúp đảm bảo an toàn và hiệu quả trong vận hành hệ thống.
Structure và Flange PN10 Dimension
Cấu Trúc và Vật Liệu Chế Tạo
Mặt bích PN10 thường được chế tạo từ các vật liệu có độ bền cao như thép carbon, thép không gỉ, và hợp kim. Cấu trúc của mặt bích bao gồm phần thân, lỗ bu-lông, và bề mặt kết nối. Vật liệu chế tạo được chọn lựa kỹ lưỡng để đảm bảo khả năng chống ăn mòn, chịu nhiệt và áp suất tốt nhất, phù hợp với môi trường sử dụng cụ thể.
Tiêu Chuẩn Quốc Tế Áp Dụng
Mặt bích PN10 phải tuân thủ các tiêu chuẩn quốc tế như ISO, DIN, và ANSI để đảm bảo chất lượng và khả năng tương thích với các hệ thống khác. Flange PN10 dimensions quy định về kích thước, vật liệu, và quy trình sản xuất, giúp đảm bảo rằng mặt bích PN10 có thể hoạt động hiệu quả trong các điều kiện khắc nghiệt.
Quy Trình Sản Xuất và Kiểm Tra Chất Lượng
Quy trình sản xuất mặt bích PN10 bao gồm nhiều bước từ lựa chọn vật liệu, gia công cơ khí, đến kiểm tra chất lượng. Mỗi bước đều được thực hiện theo các tiêu chuẩn nghiêm ngặt để đảm bảo sản phẩm cuối cùng đạt chất lượng cao nhất. Kiểm tra chất lượng bao gồm kiểm tra kích thước, độ bền, và khả năng chịu áp suất để đảm bảo mặt bích PN10 đáp ứng được yêu cầu của khách hàng.
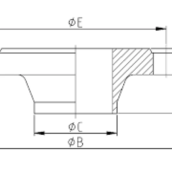
Chi Tiết Kích Thước và Phân Loại Mặt Bích PN10
Bảng Thông Số Flange PN10 Dimension
Mặt bích PN10 có nhiều kích thước khác nhau để phù hợp với các đường kính ống và áp suất làm việc khác nhau. Flange PN10 dimensions quy định về kích thước, vật liệu cung cấp thông tin chi tiết về đường kính ngoài, đường kính trong, số lượng và kích thước lỗ bu-lông, giúp người dùng dễ dàng lựa chọn sản phẩm phù hợp với nhu cầu.
Phân Loại Theo Đường Kính Ống và Ứng Dụng Cụ Thể
Mặt bích PN10 được phân loại dựa trên đường kính ống và ứng dụng cụ thể. Ví dụ, mặt bích nhỏ hơn thường được sử dụng trong hệ thống cấp thoát nước dân dụng, trong khi các mặt bích lớn hơn được sử dụng trong các ứng dụng công nghiệp nặng như dầu khí và hóa chất. Việc phân loại này giúp tối ưu hóa hiệu suất và chi phí trong mỗi ứng dụng cụ thể.

So Sánh Kích Thước với PN6 và PN16
Khi so sánh với các loại mặt bích khác như PN6 và PN16, mặt bích PN10 có kích thước và khả năng chịu áp suất trung bình. PN6 thường được sử dụng cho các ứng dụng áp suất thấp, trong khi PN16 phù hợp cho các ứng dụng áp suất cao hơn. Việc lựa chọn loại mặt bích phù hợp phụ thuộc vào yêu cầu cụ thể của hệ thống và điều kiện hoạt động.
So Sánh Mặt Bích PN10 với Các Loại Mặt Bích Khác
So Sánh với Mặt Bích PN6
Mặt bích PN10 có khả năng chịu áp suất cao hơn so với PN6, điều này làm cho PN10 phù hợp hơn cho các ứng dụng công nghiệp trung bình. Trong khi đó, PN6 thường được sử dụng trong các hệ thống không yêu cầu áp suất cao, giúp tiết kiệm chi phí mà vẫn đảm bảo hiệu suất cần thiết.
So Sánh với Mặt Bích PN16
Mặt bích PN16 có khả năng chịu áp suất cao hơn PN10, do đó thường được sử dụng trong các ứng dụng đòi hỏi áp suất lớn hơn. Tuy nhiên, với các hệ thống không yêu cầu áp suất quá cao, mặt bích PN10 là lựa chọn kinh tế hơn mà vẫn đáp ứng được yêu cầu kỹ thuật.
Điểm Mạnh và Yếu Khi So Sánh với Các Loại Khác
Mặt bích PN10 nổi bật với sự cân bằng giữa khả năng chịu áp suất và chi phí. So với PN6, PN10 có độ bền và khả năng chịu áp suất tốt hơn, trong khi so với PN16, PN10 có chi phí thấp hơn. Tuy nhiên, trong các ứng dụng yêu cầu áp suất cực cao, PN16 vẫn là lựa chọn tối ưu.
Ứng Dụng Thực Tế từ Sự So Sánh
Sự lựa chọn giữa các loại mặt bích thường dựa trên nhu cầu cụ thể của hệ thống. Mặt bích PN10 thường được sử dụng trong các hệ thống xử lý nước, hệ thống HVAC, và các ứng dụng công nghiệp trung bình khác. Sự cân bằng giữa chi phí và hiệu suất làm cho PN10 trở thành lựa chọn phổ biến trong nhiều ngành công nghiệp.
Lựa Chọn Mặt Bích PN10 Phù Hợp với Nhu Cầu
Yếu Tố Cần Cân Nhắc Khi Lựa Chọn
Khi lựa chọn mặt bích PN10, cần xem xét các yếu tố như áp suất làm việc, nhiệt độ hoạt động, và môi trường sử dụng. Việc hiểu rõ nhu cầu và điều kiện hoạt động sẽ giúp lựa chọn sản phẩm phù hợp nhất, đảm bảo an toàn và hiệu quả trong quá trình vận hành.
Phân Tích Chi Phí và Lợi Ích
Mặt bích PN10 mang lại lợi ích về chi phí nhờ khả năng chịu áp suất tốt trong khi giá thành không quá cao. Việc phân tích chi phí và lợi ích giúp doanh nghiệp tối ưu hóa ngân sách mà vẫn đảm bảo hiệu suất hoạt động của hệ thống.
Lợi Ích Trong Thực Tiễn
Trong thực tiễn, mặt bích PN10 giúp giảm thiểu rủi ro hỏng hóc và sự cố trong hệ thống ống dẫn. Khả năng chịu áp suất và độ bền cao giúp kéo dài tuổi thọ của hệ thống, giảm thiểu chi phí bảo trì và sửa chữa, mang lại lợi ích kinh tế lâu dài cho doanh nghiệp.
Hướng Dẫn Bảo Dưỡng và Lắp Đặt Mặt Bích PN10
Quy Trình Bảo Dưỡng Định Kỳ
Bảo dưỡng định kỳ mặt bích PN10 là một phần quan trọng để đảm bảo hiệu suất và tuổi thọ của hệ thống. Quy trình bảo dưỡng bao gồm kiểm tra độ kín, làm sạch bề mặt, và thay thế các bộ phận bị mòn. Việc bảo dưỡng định kỳ giúp phát hiện sớm các vấn đề tiềm ẩn và ngăn ngừa sự cố không mong muốn.
Hướng Dẫn Lắp Đặt An Toàn và Đúng Cách
Lắp đặt mặt bích PN10 đòi hỏi kỹ thuật và sự chính xác để đảm bảo an toàn và hiệu quả. Quy trình lắp đặt bao gồm việc chọn đúng kích thước, kiểm tra bề mặt kết nối, và siết chặt bu-lông theo đúng tiêu chuẩn. Đảm bảo rằng tất cả các bước đều được thực hiện đúng cách sẽ giúp hệ thống hoạt động ổn định và bền bỉ.
Các Vấn Đề Thường Gặp và Cách Khắc Phục
Một số vấn đề thường gặp với mặt bích PN10 bao gồm rò rỉ, ăn mòn, và mài mòn. Để khắc phục, cần kiểm tra và thay thế các bộ phận bị hỏng, áp dụng các biện pháp chống ăn mòn, và thực hiện bảo dưỡng định kỳ. Việc xử lý kịp thời các vấn đề này sẽ giúp duy trì hiệu suất và kéo dài tuổi thọ của hệ thống.

Kết Luận và Xu Hướng Tương Lai
Tóm Tắt Lợi Ích và Ứng Dụng Của Mặt Bích PN10
Mặt bích PN10 là một giải pháp hiệu quả cho các hệ thống công nghiệp với áp suất trung bình. Với khả năng chịu áp suất tốt, độ bền cao và chi phí hợp lý, PN10 đã chứng tỏ được tính ưu việt trong nhiều ứng dụng thực tiễn. Sự lựa chọn mặt bích PN10 không chỉ giúp tối ưu hóa hiệu suất hệ thống mà còn mang lại lợi ích kinh tế lâu dài.
Phương Pháp Tối Ưu Hóa Việc Sử Dụng
Để tối ưu hóa việc sử dụng mặt bích, cần đảm bảo lựa chọn đúng flange PN10 dimension, vật liệu và tiêu chuẩn phù hợp với điều kiện hoạt động. Bên cạnh đó, việc thực hiện bảo dưỡng định kỳ và giám sát hoạt động của hệ thống sẽ giúp phát hiện sớm các vấn đề tiềm ẩn, đảm bảo hệ thống luôn hoạt động hiệu quả.
Xu Hướng Tương Lai và Công Nghệ Liên Quan
Trong tương lai, công nghệ sản xuất mặt bích sẽ tiếp tục phát triển với sự ra đời của các vật liệu mới và quy trình sản xuất tiên tiến. Sự phát triển này sẽ giúp nâng cao chất lượng và hiệu suất của mặt bích PN10, đáp ứng tốt hơn nhu cầu ngày càng cao của ngành công nghiệp. Việc nắm bắt xu hướng và công nghệ mới sẽ giúp doanh nghiệp duy trì sự cạnh tranh và phát triển bền vững.
Kết thúc bài viết, chúng ta có thể thấy rằng mặt bích PN10 là một lựa chọn tối ưu cho nhiều ứng dụng công nghiệp. Với khả năng chịu áp suất tốt và chi phí hợp lý, PN10 mang lại lợi ích kinh tế và kỹ thuật đáng kể. Hy vọng rằng bài viết này đã cung cấp cho bạn những thông tin hữu ích và giúp bạn hiểu rõ hơn về mặt bích PN10, từ đó đưa ra quyết định lựa chọn sản phẩm phù hợp nhất cho nhu cầu của mình.
Rất mong các bạn quan tâm và theo dõi inoxmen.vn để cập nhật thông tin mới nhất về flange pn10 dimension!