DN20 Flange Dimensions
DN20 Flange Dimensions
Trong thế giới của các hệ thống ống dẫn và các kết nối công nghiệp, mặt bích đóng vai trò vô cùng quan trọng trong việc đảm bảo tính toàn vẹn và hiệu quả của hệ thống. Đặc biệt, mặt bích DN20 là một trong những kích thước phổ biến được sử dụng rộng rãi trong nhiều ngành công nghiệp. Bài viết này sẽ cung cấp cho bạn một cái nhìn toàn diện về mặt bích DN20, từ khái niệm cơ bản, đặc điểm kỹ thuật, ứng dụng cho đến quy trình lắp đặt. Với thông tin chi tiết và hữu ích, bạn sẽ có được cái nhìn sâu sắc hơn về mặt bích DN20 và tầm quan trọng của nó trong hệ thống ống dẫn. Hãy cùng khám phá chi tiết về DN20 flange dimensions và những lợi ích mà nó mang lại.
Giới Thiệu Về Mặt Bích DN20
Khái Niệm Mặt Bích Và Tầm Quan Trọng Của Nó
Mặt bích là một phần không thể thiếu trong các hệ thống ống dẫn, giúp kết nối các ống với nhau hoặc với các thiết bị khác như van, bơm. Chúng cho phép dễ dàng tháo lắp, kiểm tra và bảo trì hệ thống. Đặc biệt, mặt bích DN20 với đường kính danh định 20mm, là một trong những kích thước được sử dụng phổ biến nhất trong các ứng dụng công nghiệp. Mặt bích không chỉ giúp kết nối mà còn đóng vai trò quan trọng trong việc chịu áp lực và nhiệt độ, đảm bảo an toàn và hiệu quả cho toàn bộ hệ thống.

Đặc Điểm Riêng Của Mặt Bích DN20
Mặt bích DN20 có những đặc điểm riêng biệt giúp nó phù hợp với nhiều ứng dụng khác nhau. Với kích thước nhỏ gọn, mặt bích DN20 dễ dàng lắp đặt và vận chuyển. Ngoài ra, nó còn có khả năng chịu được áp suất và nhiệt độ cao, phù hợp với nhiều loại môi trường công nghiệp khác nhau. Các tiêu chuẩn thiết kế và cấu trúc của mặt bích DN20 cũng đảm bảo rằng nó có thể hoạt động ổn định trong thời gian dài, giảm thiểu rủi ro hỏng hóc và chi phí bảo trì.
Chi Tiết DN20 Flange Dimensions
DN20 Flange Dimensions
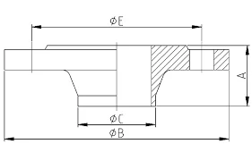
DN20 flange dimensions bao gồm đường kính ngoài, đường kính trong, độ dày và số lượng lỗ bu-lông. Thông thường, mặt bích DN20 có đường kính ngoài khoảng 90mm, đường kính trong 20mm, và độ dày từ 11mm đến 14mm tùy theo tiêu chuẩn quốc tế. Số lượng lỗ bu-lông thường là 4, giúp đảm bảo mặt bích được gắn chặt vào hệ thống ống. Những thông số này được quy định rõ ràng trong các tiêu chuẩn quốc tế như ISO, ANSI, và DIN, đảm bảo tính thống nhất và tương thích khi sử dụng trong các hệ thống khác nhau.
Vật Liệu Chế Tạo
Các Loại Vật Liệu Thông Dụng
Mặt bích DN20 thường được chế tạo từ nhiều loại vật liệu khác nhau, tùy thuộc vào ứng dụng và môi trường sử dụng. Các vật liệu thông dụng bao gồm thép không gỉ, thép carbon, hợp kim nhôm và nhựa. Thép không gỉ là lựa chọn phổ biến nhất do khả năng chống ăn mòn và chịu nhiệt tốt, trong khi thép carbon thường được sử dụng trong các ứng dụng yêu cầu độ bền cao. Hợp kim nhôm và nhựa thường được sử dụng trong các ứng dụng nhẹ hơn hoặc yêu cầu khả năng chống ăn mòn cao.
Ưu Nhược Điểm Của Từng Loại Vật Liệu
Mỗi loại vật liệu có những ưu nhược điểm riêng. Thép không gỉ có ưu điểm là chống ăn mòn tốt, bền bỉ và dễ dàng vệ sinh, nhưng giá thành cao. Thép carbon có giá thành thấp hơn, độ bền cao nhưng dễ bị ăn mòn nếu không được bảo vệ đúng cách. Hợp kim nhôm nhẹ, dễ gia công và chống ăn mòn tốt, nhưng không chịu được nhiệt độ cao. Nhựa có khả năng chống ăn mòn tốt, nhẹ và giá thành thấp, nhưng không chịu được áp suất và nhiệt độ cao.
Áp Suất Và Nhiệt Độ Hoạt Động
Mặt bích DN20 được thiết kế để hoạt động trong các điều kiện áp suất và nhiệt độ khác nhau. Thông thường, mặt bích DN20 có thể chịu được áp suất từ 10 bar đến 40 bar và nhiệt độ từ -20°C đến 400°C, tùy thuộc vào vật liệu và tiêu chuẩn thiết kế. Điều này giúp mặt bích DN20 phù hợp với nhiều ứng dụng công nghiệp khác nhau, từ hệ thống ống dẫn nước, khí, đến các ứng dụng trong ngành dầu khí và hóa chất.
Cấu Trúc Và Thiết Kế
Kiểu Cấu Trúc Phổ Biến
Mặt bích DN20 thường có cấu trúc đơn giản nhưng chắc chắn, với các kiểu cấu trúc phổ biến như mặt bích hàn, mặt bích ren, và mặt bích trượt. Mặt bích hàn thường được sử dụng trong các hệ thống yêu cầu độ kín cao, trong khi mặt bích ren phù hợp với các ứng dụng dễ tháo lắp. Mặt bích trượt thường được sử dụng trong các hệ thống cần điều chỉnh vị trí lắp đặt.
Tiêu Chuẩn Thiết Kế Quốc Tế
Mặt bích DN20 được thiết kế theo nhiều tiêu chuẩn quốc tế như ISO, ANSI, DIN, JIS, đảm bảo tính đồng nhất và tương thích khi sử dụng trong các hệ thống khác nhau. DN20 flange dimensions bao gồm đường kính ngoài, đường kính này quy định rõ ràng về kích thước, vật liệu, áp suất và nhiệt độ hoạt động, giúp đảm bảo an toàn và hiệu quả cho hệ thống.

Ứng Dụng Và Lợi Ích Của Mặt Bích DN20
Vai Trò Trong Hệ Thống Ống
Mặt bích DN20 đóng vai trò quan trọng trong các hệ thống ống dẫn, giúp kết nối các ống với nhau hoặc với các thiết bị khác. Nhờ khả năng chịu áp lực và nhiệt độ cao, mặt bích DN20 đảm bảo tính toàn vẹn và hiệu quả của hệ thống, giảm thiểu nguy cơ rò rỉ và hỏng hóc. Ngoài ra, mặt bích DN20 còn giúp dễ dàng tháo lắp, kiểm tra và bảo trì hệ thống, tiết kiệm thời gian và chi phí.
Công Nghiệp Sử Dụng Mặt Bích DN20
Ngành Dầu Khí
Trong ngành dầu khí, mặt bích DN20 được sử dụng rộng rãi trong các hệ thống ống dẫn dầu và khí, nơi yêu cầu khả năng chịu áp suất và nhiệt độ cao. Mặt bích DN20 giúp đảm bảo an toàn và hiệu quả cho quá trình vận chuyển và xử lý dầu khí, giảm thiểu nguy cơ rò rỉ và hỏng hóc.
Ngành Hóa Chất
Trong ngành hóa chất, mặt bích DN20 được sử dụng trong các hệ thống ống dẫn hóa chất, nơi yêu cầu khả năng chống ăn mòn và chịu nhiệt tốt. Mặt bích DN20 giúp đảm bảo an toàn cho quá trình vận chuyển và xử lý hóa chất, giảm thiểu nguy cơ rò rỉ và hỏng hóc.
Lợi Ích Khác Của Mặt Bích DN20
Mặt bích DN20 không chỉ được sử dụng trong các ngành công nghiệp lớn mà còn có thể áp dụng trong các hệ thống ống dẫn nhỏ hơn như hệ thống cấp thoát nước, hệ thống điều hòa không khí. Khả năng chịu áp suất, nhiệt độ và chống ăn mòn giúp mặt bích DN20 trở thành lựa chọn lý tưởng cho nhiều ứng dụng khác nhau, đảm bảo hiệu quả và an toàn cho hệ thống.
Quy Trình Lắp Đặt Mặt Bích DN20
Chuẩn Bị Trước Khi Lắp Đặt
Trước khi lắp đặt mặt bích DN20, cần chuẩn bị kỹ lưỡng để đảm bảo quá trình lắp đặt diễn ra suôn sẻ và an toàn. Điều này bao gồm việc kiểm tra các thành phần của mặt bích, đảm bảo không có hư hỏng hoặc lỗi sản xuất. Ngoài ra, cần đảm bảo rằng các dụng cụ và thiết bị cần thiết đều sẵn sàng và đáp ứng các tiêu chuẩn an toàn.
Quy Trình Lắp Đặt Từng Bước
Quy trình lắp đặt mặt bích DN20 bao gồm các bước cơ bản như: định vị mặt bích ở vị trí cần lắp đặt, sử dụng bu-lông và đai ốc để cố định mặt bích, kiểm tra độ kín và chắc chắn của kết nối. Trong quá trình lắp đặt, cần tuân thủ các tiêu chuẩn an toàn và hướng dẫn của nhà sản xuất để đảm bảo tính toàn vẹn và hiệu quả của hệ thống.
Vấn Đề Thường Gặp Và Cách Khắc Phục
Trong quá trình lắp đặt và sử dụng mặt bích DN20, có thể gặp phải một số vấn đề như rò rỉ, ăn mòn hoặc hỏng hóc. Để khắc phục các vấn đề này, cần thường xuyên kiểm tra và bảo trì hệ thống, sử dụng các vật liệu chống ăn mòn và đảm bảo rằng các kết nối được thực hiện đúng cách. Ngoài ra, cần tuân thủ các hướng dẫn và tiêu chuẩn của nhà sản xuất để đảm bảo an toàn và hiệu quả cho hệ thống.
Đánh Giá Và Phân Tích Tổng Quan
Những Lợi Ích Của Việc Sử Dụng Mặt Bích DN20
Sử dụng mặt bích DN20 mang lại nhiều lợi ích cho hệ thống ống dẫn, bao gồm khả năng chịu áp suất và nhiệt độ cao, độ bền bỉ và chống ăn mòn tốt. Mặt bích DN20 giúp đảm bảo an toàn và hiệu quả cho hệ thống, giảm thiểu nguy cơ rò rỉ và hỏng hóc. Ngoài ra, việc sử dụng mặt bích DN20 còn giúp tiết kiệm thời gian và chi phí bảo trì, nhờ khả năng dễ dàng tháo lắp và kiểm tra.
Hạn Chế Và Khuyến Nghị Trong Sử Dụng
Tuy nhiên, việc sử dụng mặt bích DN20 cũng có một số hạn chế, như yêu cầu kỹ thuật cao trong quá trình lắp đặt và bảo trì. Để khắc phục những hạn chế này, cần tuân thủ các tiêu chuẩn và hướng dẫn của nhà sản xuất, đảm bảo rằng các kết nối được thực hiện đúng cách và thường xuyên kiểm tra, bảo trì hệ thống.

Tiềm Năng Và Cơ Hội Phát Triển Tương Lai
Với sự phát triển của công nghệ và nhu cầu ngày càng cao trong các ngành công nghiệp, mặt bích DN20 có tiềm năng phát triển mạnh mẽ trong tương lai. Các cải tiến về vật liệu và thiết kế sẽ giúp mặt bích DN20 đáp ứng tốt hơn các yêu cầu khắt khe của thị trường, mở rộng phạm vi ứng dụng và nâng cao hiệu quả cho hệ thống ống dẫn.
Kết Luận
Tổng Kết Các Điểm Chính Về Mặt Bích DN20
Mặt bích DN20 là một trong những kích thước phổ biến và quan trọng trong các hệ thống ống dẫn công nghiệp. Với khả năng chịu áp suất và nhiệt độ cao, độ bền bỉ và chống ăn mòn tốt, mặt bích DN20 đảm bảo an toàn và hiệu quả cho hệ thống. Bài viết đã cung cấp một cái nhìn toàn diện về mặt bích DN20, từ khái niệm, đặc điểm kỹ thuật, ứng dụng đến quy trình lắp đặt.
Tầm Quan Trọng Của Việc Hiểu Rõ DN20 Flange Dimensions
Hiểu rõ DN20 flange dimensions bao gồm đường kính ngoài, đường kính là rất quan trọng để đảm bảo rằng hệ thống ống dẫn hoạt động hiệu quả và an toàn. Việc lựa chọn đúng kích thước và vật liệu phù hợp sẽ giúp giảm thiểu rủi ro và tối ưu hóa hiệu suất của hệ thống.
Dự Đoán Xu Hướng Và Phát Triển Tương Lai
Trong tương lai, mặt bích DN20 sẽ tiếp tục được cải tiến và phát triển để đáp ứng nhu cầu ngày càng cao của các ngành công nghiệp. Các công nghệ mới và vật liệu tiên tiến sẽ giúp nâng cao hiệu quả và mở rộng phạm vi ứng dụng của mặt bích DN20, mang lại lợi ích to lớn cho các hệ thống ống dẫn trên toàn thế giới.
Rất mong các bạn quan tâm và theo dõi inoxmen.vn để cập nhật thông tin mới nhất về dn20 flange dimensions!