PN 25 Flange Dimensions
PN 25 Flange Dimensions
Trong lĩnh vực công nghiệp, mặt bích PN 25 đóng vai trò thiết yếu trong việc kết nối các hệ thống ống dẫn, đảm bảo tính ổn định và an toàn cho quá trình vận hành. Bài viết này sẽ cung cấp một cái nhìn tổng quan về mặt bích PN 25, từ định nghĩa, lịch sử phát triển, đến các tiêu chuẩn kỹ thuật và ứng dụng thực tế. Chúng tôi sẽ đi sâu vào từng khía cạnh của mặt bích này, mang lại cho bạn cái nhìn toàn diện và chi tiết nhất về nó. Hãy cùng khám phá!
Giới Thiệu Về Mặt Bích PN 25
Định Nghĩa và Vai Trò Của Mặt Bích PN 25
Mặt bích PN 25 là một loại phụ kiện ống được sử dụng rộng rãi trong các hệ thống dẫn chất lỏng và khí. PN 25 biểu thị áp suất danh định mà mặt bích có thể chịu được, tương đương với 25 bar. Vai trò chính của mặt bích là kết nối các ống, van và các thiết bị khác, tạo thành một hệ thống khép kín và an toàn. Bên cạnh đó, mặt bích còn giúp dễ dàng tháo lắp và bảo trì hệ thống khi cần thiết.

Lịch Sử và Quá Trình Phát Triển
Mặt bích đã có lịch sử phát triển lâu dài, từ những ngày đầu của cuộc cách mạng công nghiệp. Ban đầu, mặt bích được chế tạo từ gang và chỉ có những kích thước giới hạn. Qua thời gian, với sự phát triển của công nghệ sản xuất và nhu cầu ngày càng cao của ngành công nghiệp, mặt bích đã được cải tiến về chất liệu và kích thước, đáp ứng tốt hơn các yêu cầu kỹ thuật và an toàn. Mặt bích PN 25 là một trong những sản phẩm tiêu biểu của quá trình phát triển này.
Tầm Quan Trọng Trong Công Nghiệp
Mặt bích PN 25 đóng vai trò quan trọng trong nhiều ngành công nghiệp như dầu khí, hóa chất, thực phẩm và nước. Nhờ khả năng chịu áp suất cao và độ bền vượt trội, mặt bích PN 25 giúp đảm bảo an toàn và hiệu quả cho các hệ thống dẫn chất lỏng và khí. Ngoài ra, mặt bích còn giúp giảm thiểu rủi ro rò rỉ và hư hỏng, từ đó tiết kiệm chi phí bảo trì và sửa chữa.
Những Đặc Điểm Nổi Bật Của Mặt Bích PN 25
Mặt bích PN 25 nổi bật với khả năng chịu áp suất cao, độ bền cơ học tốt và khả năng chống ăn mòn. Chúng thường được làm từ các vật liệu chất lượng cao như thép không gỉ, thép carbon, và hợp kim đồng, giúp tăng cường tuổi thọ và khả năng chống chịu trong môi trường khắc nghiệt. Hơn nữa, mặt bích PN 25 còn được thiết kế với các tiêu chuẩn kỹ thuật nghiêm ngặt, đảm bảo tính chính xác và an toàn khi sử dụng.
Kích Thước và PN 25 Flange Dimensions
Thông Số Kỹ Thuật Chi Tiết
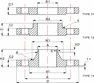
PN 25 flange dimensions được quy định rõ ràng theo các tiêu chuẩn quốc tế, bao gồm đường kính ngoài, đường kính trong, độ dày và số lượng lỗ bu lông. Các thông số này được thiết kế để đảm bảo khả năng chịu áp suất và phù hợp với các hệ thống ống tiêu chuẩn. Việc tuân thủ các thông số kỹ thuật chi tiết là rất quan trọng để đảm bảo an toàn và hiệu quả của hệ thống.
Tiêu Chuẩn Quốc Tế Về Kích Thước
Mặt bích PN 25 được sản xuất theo nhiều tiêu chuẩn quốc tế như ISO, DIN, ANSI, và JIS. Mỗi tiêu chuẩn có những quy định cụ thể về kích thước và vật liệu, đảm bảo tính tương thích và trao đổi giữa các hệ thống khác nhau trên toàn cầu. Việc hiểu rõ các tiêu chuẩn này giúp người sử dụng lựa chọn đúng loại mặt bích phù hợp với nhu cầu và điều kiện sử dụng.

So Sánh PN 25 Flange Dimensions Giữa Các Quốc Gia
Mỗi quốc gia có thể áp dụng các tiêu chuẩn khác nhau cho mặt bích PN 25. Ví dụ, tiêu chuẩn DIN của Đức có thể khác với tiêu chuẩn ANSI của Mỹ về kích thước và vật liệu. Tuy nhiên, mục tiêu chung của PN 25 flange dimensions là đảm bảo an toàn và hiệu quả cho các hệ thống công nghiệp. Sự khác biệt về tiêu chuẩn có thể ảnh hưởng đến việc lựa chọn và sử dụng mặt bích trong các dự án quốc tế.
Công Nghệ Sản Xuất và Gia Công Mặt Bích
Công nghệ sản xuất mặt bích PN 25 đã có nhiều tiến bộ vượt bậc, từ việc sử dụng máy móc hiện đại đến quy trình kiểm tra chất lượng nghiêm ngặt. Các phương pháp gia công như cắt, tiện, và gia công CNC được áp dụng để đảm bảo độ chính xác và chất lượng của sản phẩm. Ngoài ra, các quy trình xử lý bề mặt như mạ kẽm, mạ niken cũng được thực hiện để tăng cường khả năng chống ăn mòn và kéo dài tuổi thọ của mặt bích.
Vật Liệu và Chất Lượng
Các Loại Vật Liệu Sản Xuất
Mặt bích PN 25 được sản xuất từ nhiều loại vật liệu khác nhau, tùy thuộc vào yêu cầu của hệ thống và môi trường sử dụng. Các vật liệu thông dụng bao gồm thép không gỉ, thép carbon, hợp kim đồng và nhôm. Mỗi loại vật liệu có những ưu điểm và nhược điểm riêng, như khả năng chống ăn mòn, độ bền cơ học và tính dẫn nhiệt. Việc lựa chọn vật liệu phù hợp là rất quan trọng để đảm bảo hiệu suất và tuổi thọ của mặt bích.
Tiêu Chuẩn Kiểm Tra Chất Lượng
Để đảm bảo chất lượng, PN 25 flange dimensions kiểm tra chất lượng nghiêm ngặt được áp dụng trong quá trình sản xuất. Các kiểm tra bao gồm kiểm tra kích thước, kiểm tra áp suất, kiểm tra độ bền cơ học và kiểm tra khả năng chống ăn mòn. Ngoài ra, các phương pháp kiểm tra không phá hủy như siêu âm và X-quang cũng được sử dụng để phát hiện các khuyết tật bên trong sản phẩm.
Quy Trình Xử Lý Bề Mặt Sau Sản Xuất
Sau khi sản xuất, mặt bích PN 25 thường được xử lý bề mặt để tăng cường khả năng chống ăn mòn và cải thiện tính thẩm mỹ. Các quy trình xử lý bề mặt phổ biến bao gồm mạ kẽm, mạ niken, sơn phủ epoxy và anod hóa. Việc xử lý bề mặt không chỉ giúp bảo vệ mặt bích khỏi các tác nhân gây hại từ môi trường mà còn kéo dài tuổi thọ và giảm chi phí bảo trì.
Ứng Dụng và Lợi Ích Thực Tế
Tính Chất Bền Bỉ và Ổn Định
Mặt bích PN 25 nổi tiếng với tính bền bỉ và ổn định trong các điều kiện vận hành khắc nghiệt. Khả năng chịu áp suất cao và độ bền cơ học tốt giúp mặt bích hoạt động hiệu quả trong các hệ thống dẫn chất lỏng và khí. Ngoài ra, khả năng chống ăn mòn của mặt bích cũng là một yếu tố quan trọng, giúp bảo vệ hệ thống khỏi các tác động tiêu cực từ môi trường.
Khả Năng Chịu Áp Suất Cao
Một trong những ưu điểm nổi bật của mặt bích PN 25 là khả năng chịu áp suất cao, lên tới 25 bar. Điều này giúp mặt bích phù hợp với các hệ thống công nghiệp yêu cầu áp suất lớn, đảm bảo an toàn và hiệu quả cho quá trình vận hành. Khả năng chịu áp suất cao cũng giúp giảm thiểu nguy cơ rò rỉ và hư hỏng, từ đó tiết kiệm chi phí bảo trì và sửa chữa.
Ứng Dụng Cụ Thể Trong Công Nghiệp
Mặt bích PN 25 được sử dụng rộng rãi trong nhiều ngành công nghiệp như dầu khí, hóa chất, thực phẩm, và nước. Trong ngành dầu khí, mặt bích được sử dụng để kết nối các ống dẫn dầu và khí, đảm bảo an toàn và hiệu quả cho quá trình khai thác và vận chuyển. Trong ngành hóa chất, mặt bích giúp kết nối các thiết bị và hệ thống dẫn chất lỏng, đảm bảo tính ổn định và an toàn cho quá trình sản xuất. Tính đa dụng của mặt bích PN 25 làm cho nó trở thành một lựa chọn phổ biến trong nhiều ứng dụng công nghiệp.
Hiệu Quả Kinh Tế và Tiết Kiệm Chi Phí
Sử dụng mặt bích PN 25 không chỉ mang lại hiệu quả kỹ thuật mà còn giúp tiết kiệm chi phí cho các doanh nghiệp. Khả năng chịu áp suất cao và độ bền vượt trội của mặt bích giúp giảm thiểu rủi ro hư hỏng và rò rỉ, từ đó giảm chi phí bảo trì và sửa chữa. Ngoài ra, việc sử dụng các vật liệu chất lượng cao và quy trình sản xuất tiên tiến cũng giúp kéo dài tuổi thọ của mặt bích, tối ưu hóa chi phí đầu tư cho hệ thống công nghiệp.
Hướng Dẫn Lựa Chọn và Lắp Đặt
Lưu Ý Khi Lựa Chọn Mặt Bích
Khi lựa chọn mặt bích PN 25, cần xem xét các yếu tố như áp suất làm việc, nhiệt độ, vật liệu và tiêu chuẩn kỹ thuật. Việc lựa chọn đúng loại mặt bích phù hợp với điều kiện vận hành sẽ giúp đảm bảo an toàn và hiệu quả cho hệ thống. Ngoài ra, cần lưu ý đến các tiêu chuẩn quốc tế và quốc gia để đảm bảo tính tương thích và trao đổi giữa các hệ thống khác nhau.
Quy Trình Lắp Đặt Đúng Kỹ Thuật
Lắp đặt mặt bích PN 25 đòi hỏi sự chú ý đến các chi tiết kỹ thuật và quy trình chuẩn. Trước khi lắp đặt, cần kiểm tra kỹ PN 25 flange dimensions và hệ thống ống dẫn. Khi lắp đặt, cần đảm bảo các bu lông và đai ốc được siết chặt đúng cách để tránh rò rỉ và hư hỏng. Ngoài ra, cần kiểm tra kỹ các mối nối và đảm bảo tính đồng nhất của hệ thống sau khi lắp đặt.
Các Lỗi Thường Gặp và Cách Phòng Tránh
Một số lỗi thường gặp khi sử dụng mặt bích PN 25 bao gồm rò rỉ, hư hỏng do ăn mòn và lắp đặt sai kỹ thuật. Để phòng tránh các lỗi này, cần tuân thủ các quy trình kỹ thuật và tiêu chuẩn chất lượng khi sản xuất và lắp đặt mặt bích. Ngoài ra, cần thường xuyên kiểm tra và bảo trì hệ thống để phát hiện và khắc phục kịp thời các vấn đề phát sinh.
Bảo Trì Định Kỳ và Kiểm Tra Sau Lắp Đặt
Bảo trì định kỳ là một phần quan trọng trong việc đảm bảo hiệu suất và tuổi thọ của mặt bích PN 25. Sau khi lắp đặt, cần thường xuyên kiểm tra các mối nối và tình trạng của mặt bích để phát hiện sớm các dấu hiệu hư hỏng. Việc bảo trì định kỳ không chỉ giúp kéo dài tuổi thọ của mặt bích mà còn giảm thiểu rủi ro và chi phí sửa chữa trong quá trình vận hành.

Tổng Kết và Xu Hướng Phát Triển
Tóm Tắt Tầm Quan Trọng của Mặt Bích PN 25
Mặt bích PN 25 đóng vai trò quan trọng trong nhiều ngành công nghiệp nhờ khả năng chịu áp suất cao, độ bền vượt trội và tính ổn định trong các điều kiện vận hành khắc nghiệt. Sự đa dụng của mặt bích này giúp nó trở thành một lựa chọn phổ biến trong các hệ thống dẫn chất lỏng và khí, đảm bảo an toàn và hiệu quả cho quá trình vận hành.
Xu Hướng Phát Triển và Ứng Dụng Trong Tương Lai
Trong tương lai, mặt bích PN 25 dự kiến sẽ tiếp tục phát triển và mở rộng ứng dụng trong nhiều ngành công nghiệp mới. Sự tiến bộ của công nghệ sản xuất và vật liệu mới sẽ giúp cải thiện hơn nữa các đặc tính kỹ thuật và hiệu suất của mặt bích, đáp ứng tốt hơn các yêu cầu ngày càng cao của thị trường.
Những Cải Tiến Mới Trong Công Nghệ Sản Xuất
Công nghệ sản xuất mặt bích PN 25 đang có những cải tiến đáng kể, từ việc sử dụng máy móc hiện đại đến quy trình kiểm tra chất lượng tự động. Các công nghệ mới như in 3D và gia công CNC đang được áp dụng để tăng cường độ chính xác và chất lượng của sản phẩm. Ngoài ra, việc phát triển các vật liệu mới cũng đang mở ra nhiều cơ hội cho sự cải tiến và tối ưu hóa mặt bích PN 25.
Tầm Quan Trọng của Mặt Bích PN 25 Trong Xu Thế Toàn Cầu
Trong bối cảnh toàn cầu hóa và sự phát triển mạnh mẽ của ngành công nghiệp, mặt bích PN 25 đóng vai trò quan trọng trong việc kết nối các hệ thống và thiết bị, đảm bảo tính an toàn và hiệu quả cho quá trình sản xuất. Sự linh hoạt và đa dụng của mặt bích này giúp nó trở thành một phần không thể thiếu trong các dự án công nghiệp quốc tế, góp phần thúc đẩy sự phát triển bền vững và hiệu quả kinh tế.
Kết Luận
Tổng kết lại, mặt bích PN 25 là một thành phần không thể thiếu trong các hệ thống công nghiệp hiện đại. Với khả năng chịu áp suất cao, độ bền vượt trội và tính ổn định, mặt bích này đảm bảo an toàn và hiệu quả cho quá trình vận hành. Sự phát triển liên tục của công nghệ sản xuất và vật liệu mới hứa hẹn sẽ mang lại nhiều cải tiến và ứng dụng mới cho mặt bích PN 25 trong tương lai. Đối với các doanh nghiệp, việc lựa chọn và sử dụng đúng loại mặt bích không chỉ giúp tối ưu hóa hiệu suất mà còn tiết kiệm chi phí và nâng cao hiệu quả kinh tế. Hãy luôn đảm bảo tuân thủ các tiêu chuẩn kỹ thuật và quy trình lắp đặt để tận dụng tối đa lợi ích mà mặt bích PN 25 mang lại.
Rất mong các bạn quan tâm và theo dõi inoxmen.vn để cập nhật thông tin mới nhất về pn 25 flange dimensions!