Ống thép DN125
Ống thép DN125 là một trong những sản phẩm quan trọng và phổ biến trong ngành công nghiệp xây dựng và sản xuất. Với khả năng chịu lực cao, độ bền tốt và khả năng chống chịu ăn mòn, ống thép đúc DN125 đã trở thành lựa chọn hàng đầu cho nhiều ứng dụng khác nhau. Bài viết này sẽ đi sâu vào tìm hiểu về khái niệm, đặc điểm kỹ thuật, ứng dụng, và lợi ích của ống thép đúc DN125, cùng với những ưu nhược điểm và quy trình sản xuất của nó. Qua đó, bạn sẽ có cái nhìn tổng quan và chi tiết về sản phẩm này, từ đó có thể đưa ra quyết định thông minh khi lựa chọn và sử dụng ống thép đúc DN125 trong các dự án của mình.
Khái niệm, đặc điểm, và thông số kỹ thuật của ống thép DN125
Khái niệm và định nghĩa
Ống thép DN125 là loại ống thép có đường kính danh định 125 mm, được sử dụng rộng rãi trong các công trình xây dựng và các ngành công nghiệp khác. Đường kính danh định này giúp phân loại ống theo tiêu chuẩn quốc tế, giúp dễ dàng trong việc lựa chọn và sử dụng. Ống thép đúc DN125 thường được sản xuất từ thép carbon hoặc thép không gỉ, mang lại độ bền cao và khả năng chịu lực tốt.

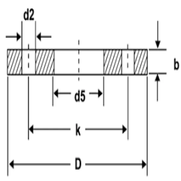
Kích thước tiêu chuẩn và thông số kỹ thuật
Ống thép đúc DN125 có kích thước tiêu chuẩn với đường kính ngoài khoảng 140 mm, độ dày thành ống từ 4 mm đến 12 mm, tùy thuộc vào yêu cầu cụ thể của từng ứng dụng. Các thông số kỹ thuật của ống thép đúc DN125 bao gồm khả năng chịu áp lực, nhiệt độ làm việc tối đa, và độ bền kéo. Các tiêu chuẩn quốc tế và quốc gia như ASTM, ISO, và TCVN thường được áp dụng để đảm bảo chất lượng của sản phẩm.
Phân loại và chủng loại ống thép đúc DN125
Ống thép đúc DN125 được phân loại dựa trên vật liệu chế tạo và công nghệ sản xuất. Có thể kể đến các loại như ống thép hàn, ống thép liền mạch, và ống thép mạ kẽm. Mỗi loại ống có những ưu điểm và ứng dụng riêng biệt, phù hợp với từng nhu cầu sử dụng cụ thể. Việc hiểu rõ các loại ống thép đúc DN125 sẽ giúp bạn lựa chọn sản phẩm phù hợp nhất cho dự án của mình.
Ứng dụng và lợi ích của ống thép đúc DN125
Ứng dụng trong ngành xây dựng
Trong ngành xây dựng, ống thép đúc DN125 được sử dụng rộng rãi trong các hệ thống cấp thoát nước, hệ thống điều hòa không khí, và các kết cấu chịu lực. Đặc tính bền bỉ và khả năng chịu lực tốt của ống thép đúc DN125 giúp đảm bảo an toàn và độ bền cho các công trình xây dựng. Ngoài ra, ống thép đúc DN125 cũng được sử dụng để làm cột đỡ, giàn giáo, và các kết cấu thép khác trong xây dựng dân dụng và công nghiệp.
Ứng dụng trong các ngành công nghiệp khác
Ống thép đúc DN125 không chỉ giới hạn trong ngành xây dựng mà còn được sử dụng trong nhiều ngành công nghiệp khác như dầu khí, hóa chất, và chế tạo máy. Trong ngành dầu khí, ống thép đúc DN125 được sử dụng để vận chuyển dầu và khí đốt. Trong ngành hóa chất, chúng được sử dụng để dẫn truyền các hóa chất có tính ăn mòn. Đặc tính chống ăn mòn và khả năng chịu nhiệt của ống thép đúc DN125 làm cho chúng trở thành lựa chọn lý tưởng trong các môi trường khắc nghiệt.
Ứng dụng trong lĩnh vực kỹ thuật và năng lượng
Trong lĩnh vực kỹ thuật và năng lượng, ống thép đúc DN125 đóng vai trò quan trọng trong các hệ thống dẫn truyền năng lượng và nhiệt. Chúng được sử dụng trong các nhà máy nhiệt điện, hệ thống dẫn dầu, và các trạm biến áp. Khả năng chịu nhiệt và áp suất cao của ống thép đúc DN125 giúp đảm bảo hiệu suất và an toàn cho các hệ thống này. Ngoài ra, ống thép đúc DN125 cũng được sử dụng trong các dự án năng lượng tái tạo như điện gió và điện mặt trời.
Ưu điểm và nhược điểm của ống thép DN125
Độ bền và độ ổn định cao
Một trong những ưu điểm nổi bật của ống thép đúc DN125 là độ bền và độ ổn định cao. Sản phẩm này có khả năng chịu được tải trọng lớn và áp lực cao, đồng thời duy trì độ ổn định trong suốt quá trình sử dụng. Điều này giúp giảm thiểu rủi ro hỏng hóc và đảm bảo an toàn cho các công trình và hệ thống sử dụng ống thép đúc DN125.
Khả năng chịu lực và chịu nhiệt tốt
Ống thép đúc DN125 có khả năng chịu lực và chịu nhiệt tốt, phù hợp với nhiều ứng dụng khác nhau từ xây dựng đến công nghiệp. Khả năng này giúp ống thép đúc DN125 hoạt động hiệu quả trong các môi trường khắc nghiệt, nơi mà nhiệt độ và áp suất có thể biến đổi liên tục. Điều này cũng làm cho ống thép đúc DN125 trở thành lựa chọn hàng đầu cho các dự án yêu cầu độ bền cao và khả năng chịu nhiệt tốt.

Khả năng chống ăn mòn
Khả năng chống ăn mòn là một trong những lợi thế lớn của ống thép đúc DN125, đặc biệt khi được sản xuất từ thép không gỉ hoặc được mạ kẽm. Điều này giúp kéo dài tuổi thọ của sản phẩm và giảm thiểu chi phí bảo trì. Trong các môi trường có tính ăn mòn cao như hóa chất hoặc nước biển, ống thép đúc DN125 vẫn duy trì được độ bền và tính năng của mình.
Nhược điểm và hạn chế cần xem xét
Mặc dù có nhiều ưu điểm, ống thép đúc DN125 cũng có một số hạn chế cần lưu ý. Chẳng hạn, chi phí sản xuất và lắp đặt có thể cao hơn so với một số vật liệu khác. Bên cạnh đó, trọng lượng của ống thép đúc DN125 cũng là một yếu tố cần xem xét, đặc biệt trong các ứng dụng yêu cầu di chuyển hoặc lắp đặt nhanh chóng. Tuy nhiên, với những lợi ích mà ống thép đúc DN125 mang lại, những hạn chế này thường được xem là chấp nhận được.
Quy trình và công nghệ sản xuất ống thép đúc DN125
Nguyên liệu sản xuất và quy trình cơ bản
Nguyên liệu chính để sản xuất ống thép đúc DN125 là thép carbon hoặc thép không gỉ, tùy thuộc vào yêu cầu cụ thể của ứng dụng. Quy trình sản xuất cơ bản bao gồm các bước như cắt, uốn, hàn và kiểm tra chất lượng. Mỗi bước trong quy trình đều được giám sát chặt chẽ để đảm bảo chất lượng sản phẩm cuối cùng.
Công nghệ hiện đại trong sản xuất ống thép DN125
Công nghệ hiện đại đã được áp dụng rộng rãi trong sản xuất ống thép DN125, giúp nâng cao chất lượng và hiệu quả sản xuất. Các công nghệ như hàn tự động, cắt laser, và kiểm tra không phá hủy đã được sử dụng để đảm bảo độ chính xác và tính đồng nhất của sản phẩm. Điều này không chỉ giúp cải thiện chất lượng ống thép đúc DN125 mà còn giảm thiểu thời gian và chi phí sản xuất.
Kiểm soát chất lượng và giám sát sản xuất
Kiểm soát chất lượng là một phần quan trọng trong quy trình sản xuất ống thép đúc DN125. Các hệ thống kiểm tra chất lượng hiện đại được sử dụng để giám sát từng bước trong quy trình sản xuất, từ nguyên liệu đầu vào đến sản phẩm hoàn thiện. Các tiêu chuẩn quốc tế và quốc gia như ISO và TCVN được áp dụng để đảm bảo rằng mỗi sản phẩm đều đạt chất lượng cao nhất.
Các tiêu chuẩn chất lượng và quy định liên quan
Tiêu chuẩn quốc tế và cấp quốc gia
Ống thép đúc DN125 phải tuân thủ các tiêu chuẩn chất lượng quốc tế và quốc gia để đảm bảo an toàn và hiệu suất. Các tiêu chuẩn như ASTM, ISO, và EN thường được áp dụng để đảm bảo rằng sản phẩm đáp ứng các yêu cầu về kích thước, độ bền, và khả năng chịu lực. Tuân thủ các tiêu chuẩn này không chỉ đảm bảo chất lượng sản phẩm mà còn giúp tăng cường uy tín của nhà sản xuất trên thị trường quốc tế.
Tiêu chuẩn Việt Nam và kỹ thuật liên quan
Tại Việt Nam, các tiêu chuẩn như TCVN (Tiêu chuẩn Việt Nam) được áp dụng để đảm bảo rằng ống thép đúc DN125 phù hợp với điều kiện và yêu cầu cụ thể của thị trường trong nước. Các tiêu chuẩn này bao gồm các yêu cầu về kích thước, khả năng chịu lực, và chất lượng vật liệu. Tuân thủ các tiêu chuẩn Việt Nam giúp đảm bảo rằng sản phẩm có thể hoạt động hiệu quả trong các dự án xây dựng và công nghiệp tại Việt Nam.
Tuân thủ quy định và chứng nhận cần thiết
Để đảm bảo rằng ống thép đúc DN125 đáp ứng các tiêu chuẩn chất lượng và an toàn, các nhà sản xuất thường phải tuân thủ các quy định và chứng nhận cần thiết. Các chứng nhận như ISO 9001 về quản lý chất lượng và ISO 14001 về quản lý môi trường thường được yêu cầu để đảm bảo rằng sản phẩm không chỉ đạt chất lượng cao mà còn thân thiện với môi trường. Tuân thủ các quy định này không chỉ giúp tăng cường niềm tin của khách hàng mà còn giúp mở rộng thị trường tiêu thụ.
Hướng dẫn lựa chọn, bảo quản và sử dụng ống thép DN125
Các yếu tố cần cân nhắc khi mua sắm
Khi lựa chọn ống thép đúc DN125, có một số yếu tố quan trọng cần cân nhắc để đảm bảo rằng bạn chọn được sản phẩm phù hợp nhất. Đầu tiên, hãy xem xét các yêu cầu kỹ thuật của dự án, bao gồm kích thước, độ dày và khả năng chịu lực của ống. Thứ hai, hãy kiểm tra các tiêu chuẩn chất lượng và chứng nhận của sản phẩm để đảm bảo rằng chúng đáp ứng các yêu cầu cần thiết. Cuối cùng, hãy cân nhắc giá cả và nhà cung cấp để đảm bảo rằng bạn nhận được giá trị tốt nhất cho khoản đầu tư của mình.
Phương pháp bảo dưỡng và bảo quản đúng cách
Bảo dưỡng và bảo quản đúng cách là yếu tố quan trọng giúp kéo dài tuổi thọ của ống thép đúc DN125. Để bảo quản, hãy đảm bảo rằng ống được lưu trữ ở nơi khô ráo, thoáng mát và tránh tiếp xúc trực tiếp với các chất ăn mòn. Đối với bảo dưỡng, hãy thường xuyên kiểm tra và làm sạch ống để loại bỏ bụi bẩn và các chất có thể gây ăn mòn. Ngoài ra, hãy kiểm tra định kỳ các mối hàn và kết nối để đảm bảo rằng chúng vẫn ở trong tình trạng tốt nhất.

Hướng dẫn lắp đặt và sử dụng an toàn
Lắp đặt và sử dụng ống thép đúc DN125 đúng cách là yếu tố quan trọng để đảm bảo an toàn và hiệu quả. Trước khi lắp đặt, hãy kiểm tra kỹ các thông số kỹ thuật và đảm bảo rằng ống phù hợp với yêu cầu của dự án. Khi lắp đặt, hãy sử dụng các công cụ và thiết bị phù hợp để đảm bảo rằng ống được lắp đặt chắc chắn và an toàn. Trong quá trình sử dụng, hãy tuân thủ các hướng dẫn và quy định an toàn để đảm bảo rằng ống hoạt động hiệu quả và không gây nguy hiểm cho người sử dụng.
Kết luận và tương lai của ống thép DN125
Tầm quan trọng của ống thép DN125 trong công nghiệp và xây dựng
Ống thép đúc DN125 đóng vai trò quan trọng trong nhiều ngành công nghiệp và xây dựng nhờ vào độ bền, khả năng chịu lực và khả năng chống ăn mòn của nó. Sản phẩm này không chỉ giúp đảm bảo an toàn và hiệu suất cho các công trình mà còn góp phần nâng cao chất lượng và độ bền của các hệ thống kỹ thuật.
Dự báo xu hướng phát triển của ống thép DN125 trong tương lai
Trong tương lai, nhu cầu về ống thép đúc DN125 dự kiến sẽ tiếp tục tăng do sự phát triển của các ngành công nghiệp và xây dựng. Công nghệ sản xuất tiên tiến và các tiêu chuẩn chất lượng ngày càng cao sẽ giúp nâng cao chất lượng và hiệu suất của sản phẩm. Ngoài ra, sự chú trọng đến các yếu tố bền vững và thân thiện với môi trường cũng sẽ thúc đẩy sự phát triển của ống thép đúc DN125 trong tương lai.
Ý nghĩa kinh tế và môi trường của việc sử dụng ống thép DN125
Việc sử dụng ống thép đúc DN125 không chỉ mang lại lợi ích kinh tế nhờ độ bền và khả năng chịu lực cao mà còn có ý nghĩa tích cực đối với môi trường. Sản phẩm này giúp giảm thiểu lượng vật liệu cần thiết và kéo dài tuổi thọ của các công trình, từ đó giảm thiểu tác động đến môi trường. Ngoài ra, việc sử dụng các công nghệ sản xuất hiện đại và thân thiện với môi trường cũng góp phần bảo vệ môi trường và tài nguyên thiên nhiên.
Ống thép đúc DN125 là một sản phẩm quan trọng và có giá trị cao trong nhiều ngành công nghiệp và xây dựng. Với những ưu điểm vượt trội về độ bền, khả năng chịu lực, và khả năng chống ăn mòn, sản phẩm này đã và đang đóng góp tích cực vào sự phát triển của các ngành công nghiệp và xây dựng. Trong tương lai, với sự phát triển của công nghệ và các tiêu chuẩn chất lượng, ống thép đúc DN125 sẽ tiếp tục là lựa chọn hàng đầu cho các dự án yêu cầu độ bền và hiệu suất cao.
Rất mong các bạn quan tâm và theo dõi inoxmen.vn để cập nhật thông tin mới nhất về ống thép dn125!