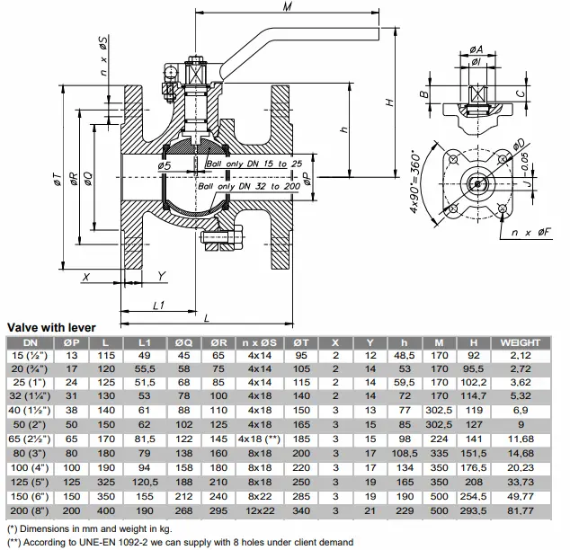
Flange ball valve dimensions
Flange Ball Valve Dimensions
Van bi mặt bích là một trong những thiết bị quan trọng trong hệ thống đường ống công nghiệp, đặc biệt là trong các ngành như dầu khí, hóa chất, và xử lý nước. Với khả năng điều chỉnh dòng chảy và đóng mở nhanh chóng, van bi mặt bích đã trở thành lựa chọn hàng đầu cho nhiều ứng dụng khác nhau. Bài viết này sẽ cung cấp một cái nhìn toàn diện về flange ball valve dimensions, từ khái niệm, cấu tạo, cho đến tầm quan trọng của việc lựa chọn kích thước phù hợp, giúp bạn tối ưu hóa hiệu suất và an toàn cho hệ thống của mình.
Khái Niệm Và Cấu Tạo Van Bi
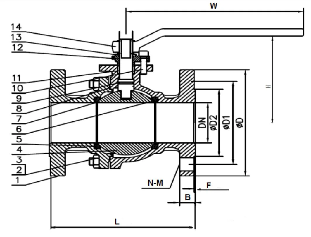
Van bi là một loại van có cơ chế đóng mở bằng cách xoay một quả cầu có lỗ xuyên tâm. Cấu tạo của van bi bao gồm thân van, quả cầu, trục van, và tay gạt. Van bi mặt bích được thiết kế với các mặt bích để kết nối dễ dàng với các đường ống. Kích thước của van bi mặt bích quyết định khả năng chịu áp suất và lưu lượng dòng chảy.

Ứng Dụng Của Van Bi Mặt Bích Trong Công Nghiệp
Ngành Dầu Khí
Trong ngành dầu khí, van bi mặt bích được sử dụng rộng rãi nhờ khả năng chịu áp suất cao và khả năng đóng mở nhanh chóng. Van bi giúp điều chỉnh dòng chảy của dầu và khí một cách hiệu quả, đảm bảo an toàn và hiệu suất trong quá trình khai thác và vận chuyển.
Ngành Hóa Chất
Ngành hóa chất yêu cầu các thiết bị có khả năng chống ăn mòn và chịu được các hóa chất mạnh. Van bi mặt bích với vật liệu chịu hóa chất là lựa chọn lý tưởng, giúp kiểm soát dòng chảy của các chất lỏng và khí độc hại một cách an toàn.
Ngành Xử Lý Nước
Trong ngành xử lý nước, van bi mặt bích được sử dụng để kiểm soát dòng chảy của nước sạch và nước thải. Khả năng đóng mở nhanh và cấu tạo bền vững giúp van bi mặt bích hoạt động hiệu quả trong môi trường ẩm ướt và có độ ăn mòn cao.
Tầm Quan Trọng Của Kích Thước Trong Van Bi Mặt Bích
Tác Động Đến Hiệu Suất Làm Việc Và An Toàn
Flange ball valve dimensions có ảnh hưởng trực tiếp đến hiệu suất và an toàn của hệ thống. Một van bi có kích thước phù hợp sẽ đảm bảo khả năng chịu áp suất, lưu lượng dòng chảy tối ưu và giảm thiểu nguy cơ rò rỉ. Việc lựa chọn kích thước không phù hợp có thể dẫn đến hư hỏng thiết bị và gây nguy hiểm cho hệ thống.
Tối Ưu Hóa Hệ Thống Đường Ống Với Kích Thước Phù Hợp
Để tối ưu hóa hệ thống đường ống, việc lựa chọn kích thước van bi mặt bích phù hợp là rất quan trọng. Kích thước đúng không chỉ giúp tiết kiệm chi phí mà còn đảm bảo hiệu suất hoạt động của toàn hệ thống. Điều này đòi hỏi sự hiểu biết sâu sắc về các thông số kỹ thuật và điều kiện hoạt động của hệ thống.
Các Thông Số Kích Thước Cơ Bản Cần Biết
Đường Kính Nominal (DN)
Đường kính nominal (DN) là một trong những thông số quan trọng nhất khi lựa chọn van bi mặt bích. DN xác định kích thước của đường ống và van, ảnh hưởng đến khả năng lưu thông dòng chảy. Việc chọn DN phù hợp đảm bảo rằng van bi có thể hoạt động hiệu quả trong hệ thống.
Áp Suất Làm Việc (PN)
Áp suất làm việc (PN) của van bi mặt bích quyết định khả năng chịu áp lực của van trong quá trình hoạt động. PN được xác định dựa trên áp suất tối đa mà van có thể chịu được mà không bị hư hỏng. Lựa chọn PN phù hợp là điều cần thiết để đảm bảo an toàn và độ bền của hệ thống.
Flange Ball Valve Dimensions (RF) Và Các Loại Kết Nối
Flange ball valve dimensions (RF) và loại kết nối là yếu tố quan trọng trong việc lắp đặt van bi mặt bích. RF xác định cách thức kết nối van với đường ống và các thiết bị khác. Lựa chọn đúng kích thước mặt bích và loại kết nối giúp đảm bảo sự ổn định và hiệu quả trong quá trình vận hành.
Phân Loại Van Bi Mặt Bích Theo Kích Thước
Van Bi Mặt Bích Nhỏ: Đặc Điểm Và Ứng Dụng
Van bi mặt bích nhỏ thường được sử dụng trong các ứng dụng yêu cầu dòng chảy thấp và không gian hạn chế. Đặc điểm nổi bật của loại van này là kích thước nhỏ gọn, dễ dàng lắp đặt và bảo trì. Van bi mặt bích nhỏ thường được áp dụng trong các hệ thống cấp nước, xử lý nước thải và các ứng dụng công nghiệp nhẹ.
Van Bi Mặt Bích Trung Bình: Tính Năng Chủ Yếu
Van bi mặt bích trung bình là lựa chọn phổ biến cho nhiều ứng dụng công nghiệp. Với kích thước vừa phải, loại van này có khả năng điều chỉnh dòng chảy tốt, chịu áp suất và nhiệt độ cao. Van bi mặt bích trung bình thường được sử dụng trong các ngành công nghiệp chế biến, hóa chất, và năng lượng.

Van Bi Mặt Bích Lớn: Lợi Ích Và Thách Thức
Van bi mặt bích lớn được thiết kế cho các ứng dụng yêu cầu lưu lượng lớn và áp suất cao. Lợi ích của loại van này là khả năng xử lý lượng lớn chất lỏng hoặc khí, tuy nhiên, việc lắp đặt và bảo trì có thể gặp nhiều thách thức do kích thước và trọng lượng lớn. Van bi mặt bích lớn thường được sử dụng trong ngành dầu khí, hóa chất, và các hệ thống xử lý nước công nghiệp.
Quy Trình Lựa Chọn Kích Thước Phù Hợp Cho Van Bi Mặt Bích
Đánh Giá Nhu Cầu Hệ Thống Và Môi Trường Sử Dụng
Việc lựa chọn kích thước van bi mặt bích phù hợp đòi hỏi phải đánh giá kỹ lưỡng nhu cầu của hệ thống và môi trường sử dụng. Các yếu tố cần xem xét bao gồm áp suất, nhiệt độ, loại chất lỏng hoặc khí, và yêu cầu vận hành. Hiểu rõ nhu cầu của hệ thống giúp bạn chọn được van bi có kích thước và thông số kỹ thuật phù hợp nhất.
Tham Khảo Tiêu Chuẩn Kích Thước Hàng Đầu
Tham khảo các tiêu chuẩn kích thước hàng đầu là bước quan trọng để đảm bảo rằng van bi mặt bích được lựa chọn đáp ứng các yêu cầu kỹ thuật và an toàn. Các tiêu chuẩn quốc tế như ISO, ANSI, và DIN cung cấp hướng dẫn chi tiết về kích thước và thông số kỹ thuật của van bi mặt bích, giúp bạn đưa ra quyết định chính xác.
Phân Tích Chi Phí Và Hiệu Quả Kinh Tế
Phân tích chi phí và hiệu quả kinh tế là một phần không thể thiếu trong quá trình lựa chọn kích thước van bi mặt bích. Việc đầu tư vào một van bi có kích thước phù hợp có thể giúp tiết kiệm chi phí vận hành và bảo trì, đồng thời nâng cao hiệu suất của hệ thống. Đánh giá chi phí và lợi ích kinh tế giúp bạn tối ưu hóa nguồn lực và đạt được hiệu quả cao nhất.
Những Lưu Ý Khi Mua Sắm Và Lắp Đặt
Khi mua sắm và lắp đặt van bi mặt bích, có một số lưu ý quan trọng cần xem xét. Đầu tiên, hãy chắc chắn rằng nhà cung cấp có uy tín và sản phẩm đáp ứng các tiêu chuẩn chất lượng. Thứ hai, đảm bảo rằng quá trình lắp đặt được thực hiện bởi các chuyên gia có kinh nghiệm để đảm bảo an toàn và hiệu quả. Cuối cùng, thường xuyên kiểm tra và bảo trì van bi để duy trì hiệu suất và độ bền của hệ thống.
Những Thách Thức Trong Việc Xác Định Kích Thước Van Bi Mặt Bích
Sự Khác Biệt Giữa Các Tiêu Chuẩn Quốc Tế Và Nội Địa
Một trong những thách thức lớn nhất khi xác định kích thước van bi mặt bích là sự khác biệt giữa các tiêu chuẩn quốc tế và nội địa. Mỗi tiêu chuẩn có các yêu cầu và thông số kỹ thuật riêng, điều này có thể gây khó khăn trong việc lựa chọn kích thước phù hợp. Việc hiểu rõ các tiêu chuẩn và sự khác biệt giữa chúng là điều cần thiết để đưa ra quyết định chính xác.
Khó Khăn Trong Việc Dự Đoán Tải Trọng Và Yêu Cầu Thay Đổi
Dự đoán tải trọng và yêu cầu thay đổi là một thách thức khác khi lựa chọn kích thước van bi mặt bích. Hệ thống có thể thay đổi theo thời gian, và việc dự đoán chính xác tải trọng và yêu cầu là điều không dễ dàng. Điều này đòi hỏi sự phân tích kỹ lưỡng và khả năng điều chỉnh linh hoạt để đáp ứng các thay đổi trong nhu cầu của hệ thống.
Giải Pháp Khắc Phục Và Cân Nhắc Chiến Lược Phát Triển
Để khắc phục các thách thức trong việc xác định kích thước van bi mặt bích, cần có các giải pháp và chiến lược phát triển phù hợp. Điều này bao gồm việc sử dụng công nghệ tiên tiến, đào tạo nhân viên, và hợp tác với các chuyên gia trong ngành. Ngoài ra, việc theo dõi và đánh giá thường xuyên các thông số kỹ thuật và hiệu suất của hệ thống cũng là điều cần thiết để đảm bảo rằng van bi mặt bích hoạt động hiệu quả và an toàn.

Kết Luận Và Khuyến Nghị Đối Với Lựa Chọn Kích Thước Van Bi Mặt Bích
Tóm Tắt Các Kết Luận Quan Trọng
Qua bài viết này, chúng ta đã tìm hiểu về tầm quan trọng của flange ball valve dimensions và các yếu tố cần xem xét khi lựa chọn. Để đảm bảo hiệu suất và an toàn cho hệ thống, việc lựa chọn kích thước phù hợp là điều cần thiết. Điều này đòi hỏi sự hiểu biết sâu sắc về các thông số kỹ thuật, tiêu chuẩn, và nhu cầu của hệ thống.
Những Lựa Chọn Cải Thiện Hiệu Suất Và An Toàn
Cải thiện hiệu suất và an toàn của hệ thống là mục tiêu quan trọng khi lựa chọn van bi mặt bích. Điều này có thể đạt được thông qua việc lựa chọn kích thước phù hợp, sử dụng công nghệ tiên tiến, và thực hiện các biện pháp bảo trì định kỳ. Bằng cách làm như vậy, bạn không chỉ đảm bảo rằng hệ thống hoạt động hiệu quả mà còn kéo dài tuổi thọ của thiết bị và giảm thiểu rủi ro.
Trên đây là những thông tin quan trọng về flange ball valve dimensions. Hy vọng rằng bài viết này đã cung cấp cho bạn những kiến thức cần thiết để lựa chọn và sử dụng van bi mặt bích một cách hiệu quả và an toàn nhất. Hãy luôn đảm bảo rằng bạn đã xem xét tất cả các yếu tố và tiêu chuẩn trước khi đưa ra quyết định, để tối ưu hóa hiệu suất và an toàn cho hệ thống của mình.
Rất mong các bạn quan tâm và theo dõi inoxmen.vn để cập nhật thông tin mới nhất về flange ball valve dimensions!