DN 600 Flange Dimensions
DN 600 Flange Dimensions
Mặt bích DN 600 không chỉ là một thành phần quan trọng trong hệ thống đường ống mà còn là một phần không thể thiếu trong nhiều ngành công nghiệp hiện đại. Với kích thước lớn và khả năng chịu áp suất cao, mặt bích này đóng vai trò quan trọng trong việc đảm bảo an toàn và hiệu quả cho các hệ thống công nghiệp. Bài viết này sẽ mang đến cho bạn cái nhìn toàn diện về mặt bích DN 600, từ lịch sử phát triển, DN 600 flange dimensions, cho đến ứng dụng trong các ngành khác nhau. Hãy cùng khám phá chi tiết về các đặc điểm và lợi ích mà mặt bích DN 600 mang lại.
Giới Thiệu Về Mặt Bích DN 600
Mặt Bích Là Gì?
Mặt bích là một chi tiết cơ khí có chức năng kết nối các đoạn ống với nhau hoặc với các thiết bị khác như van, máy bơm. Chúng thường được sử dụng trong các hệ thống đường ống để tạo ra các mối nối có thể tháo rời, giúp dễ dàng bảo trì và thay thế. Mặt bích có nhiều loại và DN 600 flange dimensions khác nhau, tùy thuộc vào yêu cầu kỹ thuật của từng hệ thống.

Lịch Sử Phát Triển Của Mặt Bích
Mặt bích đã được sử dụng từ rất lâu đời trong ngành công nghiệp. Ban đầu, chúng được làm từ sắt và thép đơn giản, nhưng với sự phát triển của công nghệ, các vật liệu như thép không gỉ và hợp kim đã được sử dụng để tăng độ bền và khả năng chống ăn mòn. Ngày nay, mặt bích không chỉ được sản xuất từ kim loại mà còn từ nhựa công nghiệp, đáp ứng nhu cầu đa dạng của các ngành công nghiệp hiện đại.
Vai Trò Và Tầm Quan Trọng Của Mặt Bích DN 600
Mặt bích DN 600 có vai trò quan trọng trong các hệ thống đường ống lớn, đặc biệt là trong các ngành công nghiệp như dầu khí, hóa chất và xử lý nước. Với khả năng chịu áp suất cao và kích thước lớn, mặt bích DN 600 giúp đảm bảo an toàn cho hệ thống, giảm thiểu nguy cơ rò rỉ và hỏng hóc. Đồng thời, chúng cũng giúp tối ưu hóa hiệu suất vận hành và kéo dài tuổi thọ của hệ thống.
DN 600 Flange Dimensions
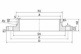
Kích Thước Đường Kính Trong Và Ngoài
Mặt bích DN 600 có đường kính danh nghĩa là 600 mm, tuy nhiên kích thước thực tế có thể thay đổi tùy theo tiêu chuẩn sản xuất. Đường kính trong và ngoài của mặt bích cần được xác định chính xác để đảm bảo khả năng kết nối và chịu lực của hệ thống. Thông thường, các thông số này được quy định rõ ràng trong các tiêu chuẩn kỹ thuật quốc tế như ISO, ANSI, và DIN.
Chi Tiết Về Độ Dày Và Trọng Lượng
Độ dày của mặt bích DN 600 cũng là một yếu tố quan trọng ảnh hưởng đến khả năng chịu áp suất và trọng lượng của nó. Độ dày thường dao động từ 20 mm đến 50 mm, tùy thuộc vào yêu cầu cụ thể của từng ứng dụng. Trọng lượng của mặt bích DN 600 cũng khá lớn, thường từ vài chục đến vài trăm kg, do đó cần có các biện pháp lắp đặt và vận chuyển phù hợp.
DN 600 Flange Dimensions Và Áp Suất Làm Việc
Được sản xuất theo nhiều DN 600 flange dimensions khác nhau, đảm bảo khả năng hoạt động trong các điều kiện áp suất và nhiệt độ khác nhau. Các tiêu chuẩn phổ biến bao gồm ANSI B16.5, ISO 7005, và DIN 2633. Khả năng chịu áp suất của mặt bích cũng phụ thuộc vào vật liệu chế tạo và độ dày, thường từ 10 bar đến 40 bar.
Các Dạng Thường Gặp Của Mặt Bích
Mặt bích DN 600 có nhiều dạng khác nhau, bao gồm mặt bích hàn cổ, mặt bích lỏng, mặt bích ren, và mặt bích mù. Mỗi loại có ưu điểm và ứng dụng riêng, phù hợp với các yêu cầu kỹ thuật và điều kiện làm việc cụ thể. Chọn đúng loại mặt bích giúp tối ưu hóa hiệu suất và độ bền của hệ thống.
Phân Loại Theo Tiêu Chuẩn Quốc Tế
Mặt bích DN 600 được phân loại theo nhiều tiêu chuẩn quốc tế để đảm bảo tính đồng nhất và tương thích trong các hệ thống công nghiệp toàn cầu. Các tiêu chuẩn phổ biến bao gồm ANSI, DIN, JIS, và BS. DN 600 flange dimensions có các yêu cầu kỹ thuật riêng về kích thước, vật liệu, và khả năng chịu áp suất, giúp người dùng dễ dàng lựa chọn sản phẩm phù hợp với nhu cầu.

Vật Liệu Chế Tạo Mặt Bích DN 600
Thép Không Gỉ: Ưu Điểm Và Nhược Điểm
Thép không gỉ là một trong những vật liệu phổ biến nhất để chế tạo mặt bích DN 600 nhờ vào khả năng chống ăn mòn và độ bền cao. Tuy nhiên, chi phí sản xuất và gia công thép không gỉ thường cao hơn so với các vật liệu khác, điều này có thể ảnh hưởng đến giá thành sản phẩm. Dù vậy, đối với các ứng dụng đòi hỏi độ bền và độ an toàn cao, thép không gỉ vẫn là lựa chọn hàng đầu.
Thép Hợp Kim: Khả Năng Kháng Mòn
Thép hợp kim là một lựa chọn khác cho mặt bích DN 600, đặc biệt là trong các môi trường làm việc khắc nghiệt. Với khả năng chịu nhiệt và kháng mòn tốt, thép hợp kim giúp tăng tuổi thọ và độ bền của mặt bích. Tuy nhiên, việc gia công thép hợp kim đòi hỏi kỹ thuật cao và có thể tốn kém hơn so với thép thường.
Nhựa Công Nghiệp: Lựa Chọn Cho Ứng Dụng Đặc Thù
Nhựa công nghiệp là một lựa chọn vật liệu mới cho mặt bích DN 600, đặc biệt là trong các ứng dụng không yêu cầu khả năng chịu áp suất cao. Ưu điểm của nhựa là nhẹ, dễ gia công, và khả năng chống ăn mòn tốt. Tuy nhiên, nhựa không thích hợp cho các ứng dụng đòi hỏi độ bền cơ học cao.
So Sánh Đặc Tính Của Các Vật Liệu Phổ Biến
Khi lựa chọn vật liệu cho mặt bích DN 600, cần cân nhắc giữa các yếu tố như độ bền, khả năng chống ăn mòn, và chi phí. Thép không gỉ và thép hợp kim thường được ưu tiên cho các ứng dụng yêu cầu độ bền cao, trong khi nhựa công nghiệp phù hợp cho các ứng dụng nhẹ nhàng hơn. Sự lựa chọn cuối cùng phụ thuộc vào điều kiện làm việc cụ thể và yêu cầu kỹ thuật của hệ thống.
Ứng Dụng Của Mặt Bích DN 600 Trong Các Ngành Công Nghiệp
Hệ Thống Cấp Nước Và Xử Lý Nước Thải
Mặt bích DN 600 được sử dụng rộng rãi trong các hệ thống cấp nước và xử lý nước thải nhờ vào khả năng chịu áp suất và chống ăn mòn tốt. Chúng giúp kết nối các đường ống lớn và đảm bảo dòng chảy ổn định, an toàn. Đặc biệt, trong các hệ thống xử lý nước thải, mặt bích DN 600 đóng vai trò quan trọng trong việc ngăn ngừa rò rỉ và ô nhiễm môi trường.
Ngành Công Nghiệp Hóa Chất
Trong ngành công nghiệp hóa chất, mặt bích DN 600 được sử dụng để kết nối các bồn chứa và đường ống vận chuyển hóa chất. Với khả năng chịu được các hóa chất ăn mòn, mặt bích này đảm bảo an toàn cho hệ thống và người vận hành. Việc lựa chọn vật liệu phù hợp cho mặt bích trong ngành hóa chất là rất quan trọng để đảm bảo độ bền và hiệu quả hoạt động.
Ngành Dầu Khí Và Năng Lượng
Ngành dầu khí và năng lượng là một trong những lĩnh vực sử dụng mặt bích DN 600 nhiều nhất. Chúng được sử dụng trong các hệ thống đường ống dẫn dầu, khí và các sản phẩm năng lượng khác. Khả năng chịu áp suất cao và độ bền của mặt bích DN 600 giúp đảm bảo an toàn và hiệu quả cho các hệ thống này, giảm thiểu nguy cơ rò rỉ và hỏng hóc.
Ứng Dụng Trong Các Ngành Khác (Dệt, Thực Phẩm, v.v.)
Không chỉ giới hạn trong các ngành công nghiệp nặng, mặt bích DN 600 còn được sử dụng trong các ngành công nghiệp nhẹ như dệt may và thực phẩm. Trong ngành dệt, chúng giúp kết nối các hệ thống ống dẫn nước và hóa chất. Trong ngành thực phẩm, mặt bích đảm bảo an toàn vệ sinh và tính toàn vẹn của hệ thống chế biến và vận chuyển thực phẩm.
Lợi Ích Của Việc Sử Dụng Mặt Bích DN 600 Đúng Tiêu Chuẩn
Nâng Cao Hiệu Suất Hệ Thống
Sử dụng mặt bích DN 600 đúng tiêu chuẩn giúp tối ưu hóa hiệu suất của hệ thống. Với khả năng kết nối chắc chắn và độ bền cao, mặt bích này giúp giảm thiểu tổn thất áp suất và đảm bảo dòng chảy ổn định, từ đó nâng cao hiệu quả vận hành của toàn bộ hệ thống.
Tăng Độ Bền Và Tuổi Thọ Thiết Bị
Mặt bích DN 600 được thiết kế để chịu được các điều kiện làm việc khắc nghiệt, từ đó kéo dài tuổi thọ của thiết bị và hệ thống. Việc sử dụng mặt bích đúng tiêu chuẩn giúp giảm thiểu hỏng hóc và sự cố, từ đó giảm chi phí bảo trì và sửa chữa.
Giảm Chi Phí Bảo Trì Và Sửa Chữa
Nhờ vào độ bền và khả năng chịu áp suất cao, mặt bích DN 600 giúp giảm thiểu các sự cố và hỏng hóc, từ đó giảm đáng kể chi phí bảo trì và sửa chữa. Điều này không chỉ giúp tiết kiệm chi phí mà còn đảm bảo hoạt động liên tục và hiệu quả của hệ thống.
Đảm Bảo An Toàn Cho Người Sử Dụng
Mặt bích DN 600 được sản xuất theo các tiêu chuẩn an toàn nghiêm ngặt, giúp đảm bảo an toàn cho người sử dụng và môi trường. Việc sử dụng mặt bích đúng tiêu chuẩn giúp ngăn ngừa các rủi ro như rò rỉ, nổ, và các sự cố khác, từ đó bảo vệ sức khỏe và an toàn cho người lao động.

Tương Thích Với Công Nghệ Hiện Đại
Các mặt bích DN 600 hiện đại được thiết kế để tương thích với các công nghệ tiên tiến, từ đó tối ưu hóa hiệu suất và hiệu quả của hệ thống. Chúng có thể dễ dàng tích hợp vào các hệ thống tự động hóa và điều khiển thông minh, giúp nâng cao hiệu quả quản lý và vận hành.
Kết Luận
Tóm Tắt Lợi Ích Và Ứng Dụng
Mặt bích DN 600 đóng vai trò quan trọng trong nhiều ngành công nghiệp, từ dầu khí, hóa chất đến thực phẩm và dệt may. Với khả năng chịu áp suất cao, độ bền và tính linh hoạt, chúng giúp nâng cao hiệu suất và an toàn cho các hệ thống công nghiệp. Việc lựa chọn và sử dụng mặt bích đúng tiêu chuẩn là yếu tố then chốt để đảm bảo hiệu quả và độ bền của hệ thống.
Xu Hướng Phát Triển Tương Lai
Trong tương lai, mặt bích DN 600 sẽ tiếp tục được cải tiến với các vật liệu và công nghệ mới, đáp ứng nhu cầu ngày càng cao của các ngành công nghiệp hiện đại. Sự phát triển của các vật liệu nhẹ hơn, bền hơn và khả năng chống ăn mòn tốt hơn sẽ mở ra nhiều cơ hội ứng dụng mới cho mặt bích DN 600. Đồng thời, việc tích hợp công nghệ thông minh và tự động hóa sẽ giúp tối ưu hóa hiệu suất và an toàn cho các hệ thống sử dụng mặt bích này.
Rất mong các bạn quan tâm và theo dõi inoxmen.vn để cập nhật thông tin mới nhất về dn 600 flange dimensions!