Class 150 Flanges
Class 150 Flanges
Trong thế giới công nghiệp hiện đại, sự kết nối giữa các thành phần của hệ thống là yếu tố then chốt để đảm bảo hoạt động hiệu quả và an toàn. Mặt bích, đặc biệt là mặt bích class 150 hay còn gọi là class 150 flanges, đóng vai trò không thể thiếu trong việc này. Bài viết này sẽ đưa bạn khám phá sâu hơn về mặt bích, từ khái niệm cơ bản đến ứng dụng trong các ngành công nghiệp khác nhau. Chúng tôi sẽ phân tích chi tiết về cấu tạo, đặc điểm kỹ thuật và lợi ích của mặt bích class 150, cùng với hướng dẫn lắp đặt và bảo trì để đảm bảo hiệu suất tối ưu. Hãy cùng bắt đầu hành trình khám phá này và tìm hiểu tại sao mặt bích class 150 lại quan trọng đến vậy trong các hệ thống công nghiệp.
Khái niệm về Mặt Bích
Mặt bích là gì?
Mặt bích là một phần quan trọng trong các hệ thống ống dẫn, thường được sử dụng để kết nối các đoạn ống, van, máy bơm và các thiết bị khác trong hệ thống. Chúng thường có hình dạng tròn và được làm từ các vật liệu như thép, inox, hoặc nhựa, tùy thuộc vào yêu cầu của hệ thống. Mặt bích giúp tạo ra các kết nối chắc chắn và có thể tháo rời, cho phép dễ dàng bảo trì và sửa chữa hệ thống.

Lịch sử và Phát triển của Mặt Bích
Mặt bích đã xuất hiện từ rất lâu trong lịch sử phát triển công nghiệp. Ban đầu, chúng được sử dụng chủ yếu trong các hệ thống ống dẫn nước. Qua thời gian, với sự phát triển của công nghệ và nhu cầu ngày càng cao của các ngành công nghiệp, mặt bích đã được cải tiến về chất liệu và thiết kế để đáp ứng các tiêu chuẩn khắt khe hơn về áp lực và nhiệt độ. Ngày nay, mặt bích được sử dụng rộng rãi trong nhiều ngành công nghiệp, từ dầu khí, hóa chất, đến thực phẩm và dược phẩm.
Vai trò và Ứng dụng chung của Mặt Bích
Mặt bích đóng vai trò quan trọng trong việc đảm bảo sự an toàn và hiệu quả của các hệ thống công nghiệp. Chúng giúp kết nối các thành phần của hệ thống một cách chắc chắn, đồng thời cho phép dễ dàng tháo lắp để bảo trì và sửa chữa. Ngoài ra, mặt bích còn giúp ngăn chặn rò rỉ chất lỏng hoặc khí, đảm bảo hoạt động ổn định của hệ thống. Do đó, chúng được ứng dụng rộng rãi trong nhiều ngành công nghiệp, từ dầu khí, hóa chất, đến xây dựng và cấp thoát nước.
Phân loại Mặt Bích theo Tiêu Chuẩn
Tiêu chuẩn ASME B16.5 và các cấp độ mặt bích
ASME B16.5 là tiêu chuẩn quốc tế được công nhận rộng rãi cho các mặt bích và phụ kiện kết nối ống. Tiêu chuẩn này quy định các yêu cầu về kích thước, áp suất và vật liệu cho các mặt bích, đảm bảo chúng có thể hoạt động an toàn và hiệu quả trong các hệ thống công nghiệp. Các mặt bích được phân loại theo cấp độ áp suất, từ class 150 đến class 2500, với class 150 là mức áp suất thấp nhất và class 2500 là cao nhất.
Mặt Bích Class 150 là gì?
Mặt bích class 150 là loại mặt bích được thiết kế để chịu áp suất tối đa lên đến 150 psi (pound trên inch vuông) ở nhiệt độ phòng. Chúng thường được sử dụng trong các hệ thống có áp suất và nhiệt độ thấp, chẳng hạn như hệ thống cấp thoát nước, hệ thống điều hòa không khí và một số ứng dụng trong ngành thực phẩm và dược phẩm. Mặt bích class 150 có thể được làm từ nhiều loại vật liệu khác nhau, bao gồm thép carbon, thép không gỉ, và các hợp kim khác.
Đặc điểm Kỹ thuật của Mặt Bích Class 150
Cấu tạo và Thông Số Kỹ Thuật
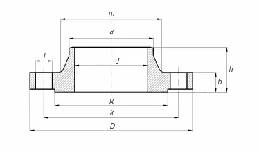
Mặt bích class 150 thường có cấu tạo đơn giản với hình dạng tròn và các lỗ bu lông được bố trí đều quanh chu vi. Điều này giúp tạo ra một kết nối chắc chắn và đồng đều, giảm thiểu nguy cơ rò rỉ. Thông số kỹ thuật của mặt bích class 150 bao gồm kích thước đường kính, số lượng và đường kính các lỗ bu lông, cũng như độ dày của mặt bích. Các thông số này được quy định chi tiết trong tiêu chuẩn ASME B16.5, đảm bảo tính nhất quán và khả năng tương thích giữa các mặt bích và phụ kiện khác trong hệ thống.
Chất liệu phổ biến sử dụng cho Class 150
Mặt bích class 150 có thể được chế tạo từ nhiều loại vật liệu khác nhau, tùy thuộc vào yêu cầu của ứng dụng cụ thể. Các chất liệu phổ biến bao gồm thép carbon, thép không gỉ, và các hợp kim nhôm. Thép carbon là lựa chọn phổ biến nhất do chi phí thấp và khả năng chịu lực tốt. Tuy nhiên, trong các ứng dụng yêu cầu khả năng chống ăn mòn cao, như trong ngành thực phẩm và dược phẩm, thép không gỉ thường được ưa chuộng hơn. Ngoài ra, các hợp kim nhôm cũng được sử dụng trong một số ứng dụng đặc biệt nhờ vào trọng lượng nhẹ và khả năng chống ăn mòn tốt.
Ưu điểm của Mặt Bích Class 150
Độ bền và Khả năng chịu áp lực
Mặt bích class 150 được thiết kế để chịu áp suất và nhiệt độ trong các ứng dụng công nghiệp nhẹ. Chúng có độ bền cao nhờ vào việc sử dụng các vật liệu chất lượng và thiết kế tối ưu. Khả năng chịu áp lực của mặt bích class 150 là một trong những yếu tố quan trọng giúp chúng được sử dụng rộng rãi trong nhiều ngành công nghiệp. Với khả năng chịu áp suất tối đa lên đến 150 psi, mặt bích class 150 đảm bảo hoạt động ổn định và an toàn trong các hệ thống có áp suất và nhiệt độ thấp.

Tính linh hoạt trong lắp đặt
Một trong những ưu điểm nổi bật của mặt bích class 150 là tính linh hoạt trong lắp đặt. Chúng có thể dễ dàng lắp đặt và tháo rời, cho phép bảo trì và sửa chữa hệ thống một cách nhanh chóng và hiệu quả. Điều này đặc biệt quan trọng trong các ngành công nghiệp yêu cầu sự linh hoạt và tiết kiệm thời gian trong quá trình bảo trì, như ngành dầu khí và hóa chất. Ngoài ra, mặt bích class 150 còn có thể được sử dụng kết hợp với nhiều loại phụ kiện khác nhau, tạo ra các kết nối đa dạng và phù hợp với nhiều ứng dụng cụ thể.
Đa dạng về kích thước và chất liệu
Mặt bích class 150 có sẵn trong nhiều kích thước và chất liệu khác nhau, đáp ứng nhu cầu đa dạng của các ngành công nghiệp. Từ các kích thước nhỏ cho các ứng dụng trong ngành thực phẩm và dược phẩm, đến các kích thước lớn cho các hệ thống cấp thoát nước và xây dựng, mặt bích class 150 đều có thể đáp ứng một cách hiệu quả. Sự đa dạng về chất liệu cũng giúp mặt bích class 150 có thể sử dụng trong nhiều môi trường khác nhau, từ các môi trường có độ ăn mòn cao đến các môi trường yêu cầu độ bền cơ học cao.
Ứng dụng của Class 150 Flanges trong Các Ngành Công Nghiệp
Ngành Dầu Khí
Trong ngành dầu khí, class 150 flanges được sử dụng rộng rãi để kết nối các đường ống dẫn dầu và khí. Chúng giúp tạo ra các kết nối chắc chắn và an toàn, đảm bảo không xảy ra rò rỉ trong quá trình vận chuyển dầu và khí. Ngoài ra, mặt bích class 150 còn giúp dễ dàng tháo lắp và bảo trì hệ thống, giảm thiểu thời gian ngừng hoạt động và chi phí bảo trì.
Ngành Công Nghiệp Thực Phẩm và Dược Phẩm
Trong ngành công nghiệp thực phẩm và dược phẩm, mặt bích class 150 thường được sử dụng trong các hệ thống ống dẫn chất lỏng và khí. Chúng giúp đảm bảo vệ sinh và an toàn trong quá trình sản xuất, đồng thời cho phép dễ dàng vệ sinh và bảo trì hệ thống. Với khả năng chống ăn mòn tốt, mặt bích class 150 là lựa chọn lý tưởng cho các ứng dụng trong ngành thực phẩm và dược phẩm.
Ngành Xây Dựng và Cấp Thoát Nước
Trong ngành xây dựng và cấp thoát nước, mặt bích class 150 được sử dụng để kết nối các hệ thống ống dẫn nước và khí. Chúng giúp tạo ra các kết nối chắc chắn và bền bỉ, đảm bảo hệ thống hoạt động ổn định và an toàn. Ngoài ra, mặt bích class 150 còn giúp dễ dàng lắp đặt và bảo trì hệ thống, tiết kiệm thời gian và chi phí cho các dự án xây dựng và cấp thoát nước.
Hướng dẫn Lắp đặt và Bảo trì Class 150 Flanges
Các bước lắp đặt cơ bản
Quá trình lắp đặt mặt bích class 150 cần được thực hiện theo các bước cơ bản sau đây để đảm bảo an toàn và hiệu quả: Đầu tiên, cần kiểm tra kỹ lưỡng các mặt bích và phụ kiện đi kèm để đảm bảo chúng không bị hư hỏng. Tiếp theo, đặt mặt bích vào vị trí cần lắp đặt và sử dụng bu lông để cố định chúng. Cuối cùng, kiểm tra lại các kết nối để đảm bảo chúng đã được lắp đặt chắc chắn và không có rò rỉ.
Lưu ý về bảo trì và kiểm tra định kỳ
Bảo trì định kỳ là yếu tố quan trọng để đảm bảo mặt bích class 150 hoạt động ổn định và bền bỉ. Cần thường xuyên kiểm tra các kết nối để phát hiện sớm các dấu hiệu của rò rỉ hoặc hư hỏng. Ngoài ra, cần vệ sinh các mặt bích và phụ kiện để đảm bảo chúng không bị ăn mòn hoặc bám bẩn. Việc bảo trì định kỳ không chỉ giúp kéo dài tuổi thọ của mặt bích mà còn đảm bảo an toàn cho hệ thống.
Nguyên tắc an toàn trong quá trình bảo dưỡng
Trong quá trình bảo dưỡng class 150 flanges, cần tuân thủ các nguyên tắc an toàn sau đây: Đầu tiên, đảm bảo hệ thống đã được ngắt kết nối và không có áp suất trước khi tiến hành bảo dưỡng. Tiếp theo, sử dụng các dụng cụ và thiết bị bảo hộ cá nhân để đảm bảo an toàn cho người thực hiện. Cuối cùng, tuân thủ các hướng dẫn và quy định về an toàn lao động để tránh các tai nạn không đáng có.
Thực tiễn và Kinh nghiệm Sử Dụng
Trường hợp thành công điển hình
Một ví dụ điển hình về sự thành công trong việc sử dụng mặt bích class 150 là trong một dự án xây dựng hệ thống cấp thoát nước tại một khu công nghiệp lớn. Nhờ vào việc sử dụng mặt bích class 150, dự án đã được hoàn thành đúng tiến độ và đảm bảo an toàn tuyệt đối cho hệ thống. Các mặt bích đã được lắp đặt chắc chắn và không xảy ra bất kỳ sự cố rò rỉ nào trong quá trình vận hành.
Những lỗi thường gặp và cách khắc phục
Trong quá trình sử dụng mặt bích class 150, có một số lỗi thường gặp như rò rỉ tại các kết nối, hư hỏng do ăn mòn, hoặc bu lông bị lỏng. Để khắc phục các lỗi này, cần thường xuyên kiểm tra và bảo trì hệ thống. Trong trường hợp phát hiện rò rỉ, cần kiểm tra lại các bu lông và siết chặt chúng nếu cần thiết. Đối với các hư hỏng do ăn mòn, cần thay thế các mặt bích hoặc phụ kiện bị hư hỏng để đảm bảo an toàn cho hệ thống.

Mẹo và Phương pháp tối ưu hóa hiệu suất
Để tối ưu hóa hiệu suất của mặt bích class 150, cần chú ý đến việc lựa chọn vật liệu phù hợp với môi trường sử dụng. Ngoài ra, cần đảm bảo các mặt bích và phụ kiện được lắp đặt đúng cách và thường xuyên kiểm tra để phát hiện sớm các dấu hiệu của hư hỏng. Việc bảo trì định kỳ cũng là yếu tố quan trọng giúp kéo dài tuổi thọ và đảm bảo hiệu suất tối ưu cho mặt bích class 150.
Kết luận
Tổng quan về tầm quan trọng của class 150 flanges
Class 150 flanges đóng vai trò quan trọng trong việc đảm bảo sự kết nối chắc chắn và an toàn cho các hệ thống công nghiệp. Với khả năng chịu áp lực và nhiệt độ tốt, cùng với tính linh hoạt trong lắp đặt và bảo trì, mặt bích class 150 là lựa chọn lý tưởng cho nhiều ứng dụng khác nhau. Chúng không chỉ giúp giảm thiểu rò rỉ và hư hỏng, mà còn đảm bảo hoạt động ổn định và hiệu quả cho hệ thống.
Lời khuyên và các nguồn tham khảo bổ sung
Để sử dụng mặt bích class 150 một cách hiệu quả, cần tuân thủ các hướng dẫn và quy định về lắp đặt và bảo trì. Ngoài ra, cần thường xuyên cập nhật kiến thức và kinh nghiệm từ các nguồn tham khảo uy tín để đảm bảo an toàn và hiệu suất tối ưu cho hệ thống. Các tài liệu từ các tổ chức quốc tế như ASME là nguồn tham khảo quý giá cho việc thiết kế và sử dụng mặt bích trong các hệ thống công nghiệp.
Rất mong các bạn quan tâm và theo dõi inoxmen.vn để cập nhật thông tin mới nhất về class 150 flanges!