BS 4504 PN16 flange dimensions
BS 4504 PN16 flange dimensions
Trong thế giới công nghiệp hiện đại, tiêu chuẩn là một phần không thể thiếu để đảm bảo sự đồng nhất và chất lượng sản phẩm. Một trong những tiêu chuẩn nổi bật trong lĩnh vực này chính là BS 4504 với mã PN16. Bài viết này sẽ giúp bạn hiểu rõ hơn về các thông số kỹ thuật, ứng dụng và ưu nhược điểm của mặt bích BS 4504 PN16, từ đó giúp bạn có cái nhìn sâu sắc hơn về tầm quan trọng của chúng trong ngành công nghiệp.
Giới Thiệu về Tiêu Chuẩn BS 4504 và Mã PN16
Lịch Sử Phát Triển và Tầm Quan Trọng của Tiêu Chuẩn BS 4504
BS 4504 PN16 flange dimensions được phát triển nhằm đáp ứng nhu cầu đồng bộ hóa các kích thước và thông số kỹ thuật của mặt bích trong ngành công nghiệp. Tiêu chuẩn này đã trải qua nhiều giai đoạn phát triển và cải tiến để đáp ứng yêu cầu ngày càng cao của thị trường. Sự ra đời của BS 4504 đã mang lại nhiều lợi ích như giảm thiểu sai sót trong sản xuất, tối ưu hóa chi phí và nâng cao chất lượng sản phẩm.

Ý Nghĩa của Mã PN16 và Ứng Dụng Chuyên Biệt
Mã PN16 trong tiêu chuẩn BS 4504 chỉ ra khả năng chịu áp lực của mặt bích. PN là viết tắt của Pressure Nominal, nghĩa là áp suất danh định. Con số 16 chỉ ra rằng mặt bích có thể chịu được áp suất tối đa là 16 bar. Đây là một trong những mã thông dụng nhất trong ngành công nghiệp, được sử dụng rộng rãi trong các hệ thống đường ống, đặc biệt là trong các ngành dầu khí, hóa chất và cấp thoát nước.
Vai Trò của Tiêu Chuẩn BS 4504 trong Ngành Công Nghiệp Hiện Đại
Trong bối cảnh toàn cầu hóa, tiêu chuẩn BS 4504 đóng vai trò quan trọng trong việc tạo ra sự đồng nhất và đảm bảo chất lượng sản phẩm trên toàn thế giới. Nó giúp các doanh nghiệp dễ dàng trao đổi và hợp tác với nhau mà không gặp phải những rào cản về kỹ thuật. Ngoài ra, việc tuân thủ tiêu chuẩn này còn giúp các doanh nghiệp nâng cao uy tín và khả năng cạnh tranh trên thị trường quốc tế.
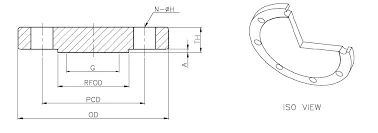
Thông Số Kỹ Thuật Mặt Bích BS 4504 PN16
Định Nghĩa và Thông Số Kỹ Thuật Chính
Mặt bích BS 4504 PN16 được thiết kế với các thông số kỹ thuật cụ thể nhằm đảm bảo khả năng chịu áp lực và độ bền cao. Các thông số chính bao gồm đường kính ngoài, đường kính trong, độ dày, số lượng và đường kính lỗ bu lông. Những thông số này được xác định rõ ràng để đảm bảo tính tương thích và an toàn khi lắp đặt trong các hệ thống đường ống.
Vật Liệu Sản Xuất: Lợi Ích và Ưu Điểm Nổi Bật
Mặt bích BS 4504 PN16 thường được sản xuất từ các loại vật liệu như thép không gỉ, thép carbon, và hợp kim. Mỗi loại vật liệu đều có những ưu điểm riêng, ví dụ như thép không gỉ có khả năng chống ăn mòn cao, trong khi thép carbon lại có độ bền cơ học tốt. Việc lựa chọn vật liệu phù hợp sẽ giúp tối ưu hóa hiệu suất và tuổi thọ của mặt bích.
Phân Loại Mặt Bích PN16 theo Ngành và Ứng Dụng
Mặt bích PN16 có thể được phân loại theo nhiều tiêu chí khác nhau như vật liệu, kích thước, và ứng dụng. Trong ngành dầu khí, mặt bích thường được sử dụng để kết nối các đường ống dẫn dầu và khí. Trong ngành hóa chất, chúng được sử dụng để đảm bảo an toàn trong quá trình vận chuyển các chất hóa học. Mỗi ngành công nghiệp đều có những yêu cầu đặc thù, do đó việc lựa chọn mặt bích phù hợp là rất quan trọng.
Quy Trình Sản Xuất và Tiêu Chuẩn Kiểm Định Chất Lượng
Quy trình sản xuất mặt bích BS 4504 PN16 bao gồm nhiều công đoạn từ lựa chọn nguyên liệu, gia công cơ khí, đến kiểm tra chất lượng. Mỗi công đoạn đều phải tuân thủ các tiêu chuẩn nghiêm ngặt để đảm bảo sản phẩm cuối cùng đạt chất lượng cao nhất. Các tiêu chuẩn kiểm định chất lượng bao gồm kiểm tra kích thước, độ bền, và khả năng chịu áp lực. Điều này đảm bảo rằng mặt bích có thể hoạt động hiệu quả và an toàn trong các điều kiện khắc nghiệt.

Chi Tiết Kích Thước và Tính Chất của Mặt Bích BS 4504 PN16
Kích Thước Tiêu Chuẩn và Tính Chất Vật Lý
BS 4504 PN16 flange dimensions có các kích thước tiêu chuẩn bao gồm đường kính ngoài, đường kính trong, độ dày, và đường kính lỗ bu lông. Những kích thước này được thiết kế để đảm bảo tính tương thích và an toàn khi lắp đặt. Tính chất vật lý của mặt bích bao gồm khả năng chịu áp lực, độ bền kéo, và khả năng chống ăn mòn. Những tính chất này giúp mặt bích có thể hoạt động hiệu quả trong nhiều điều kiện môi trường khác nhau.
So Sánh Kích Thước với Tiêu Chuẩn Quốc Tế
Khi so sánh với các tiêu chuẩn quốc tế khác như ANSI, DIN, mặt bích BS 4504 PN16 có những điểm tương đồng và khác biệt về kích thước và thông số kỹ thuật. Tuy nhiên, nhờ vào tính linh hoạt và khả năng tương thích cao, mặt bích BS 4504 PN16 vẫn được ưa chuộng trong nhiều ngành công nghiệp trên toàn thế giới. Việc hiểu rõ sự khác biệt này giúp các doanh nghiệp lựa chọn sản phẩm phù hợp với nhu cầu cụ thể của mình.
Ứng Dụng Thực Tế trong Ngành Công Nghiệp
Mặt bích BS 4504 PN16 được ứng dụng rộng rãi trong nhiều ngành công nghiệp như dầu khí, hóa chất, và cấp thoát nước. Trong ngành dầu khí, chúng được sử dụng để kết nối các đường ống dẫn dầu và khí, đảm bảo an toàn và hiệu quả trong quá trình vận hành. Trong ngành hóa chất, mặt bích giúp ngăn chặn sự rò rỉ của các chất hóa học nguy hiểm. Trong hệ thống cấp thoát nước, chúng đảm bảo sự ổn định và an toàn trong quá trình vận chuyển nước.
Ưu Điểm và Nhược Điểm của Mặt Bích BS 4504 PN16
Độ Bền và Khả Năng Chịu Áp Lực Cao
Một trong những ưu điểm nổi bật của mặt bích BS 4504 PN16 là độ bền và khả năng chịu áp lực cao. Với thiết kế chắc chắn và vật liệu chất lượng, mặt bích có thể hoạt động ổn định trong các điều kiện áp suất cao mà không gặp phải sự cố. Điều này làm tăng độ tin cậy và tuổi thọ của hệ thống, giảm thiểu chi phí bảo trì và sửa chữa.
Tính Tiện Lợi trong Lắp Đặt và Bảo Trì
Mặt bích BS 4504 PN16 được thiết kế để dễ dàng lắp đặt và bảo trì. Các lỗ bu lông được bố trí hợp lý giúp việc lắp đặt trở nên nhanh chóng và đơn giản. Ngoài ra, việc bảo trì cũng rất thuận tiện nhờ vào cấu trúc chắc chắn và khả năng tháo lắp dễ dàng. Điều này giúp tiết kiệm thời gian và chi phí cho doanh nghiệp.
Khả Năng Chống Ăn Mòn và Tuổi Thọ Cao
Với việc sử dụng các vật liệu chất lượng như thép không gỉ, mặt bích BS 4504 PN16 có khả năng chống ăn mòn vượt trội. Điều này giúp mặt bích hoạt động hiệu quả trong các môi trường khắc nghiệt mà không bị ảnh hưởng bởi các yếu tố hóa học và thời tiết. Tuổi thọ của mặt bích cũng được kéo dài, đảm bảo sự an toàn và ổn định cho hệ thống.
Các Nhược Điểm và Hướng Cải Tiến Khả Thi
Mặc dù có nhiều ưu điểm, mặt bích BS 4504 PN16 cũng có một số nhược điểm như giá thành cao và trọng lượng lớn. Tuy nhiên, các nhà sản xuất đang không ngừng nghiên cứu và cải tiến để khắc phục những hạn chế này. Việc sử dụng các công nghệ sản xuất tiên tiến và vật liệu mới là những hướng đi khả thi để nâng cao chất lượng và giảm chi phí sản xuất.
Ứng Dụng Đặc Biệt và Những Lưu Ý Quan Trọng
BS 4504 PN16 flange dimensions có thể được ứng dụng trong nhiều lĩnh vực đặc biệt như ngành hàng không, hàng hải và xây dựng. Tuy nhiên, khi sử dụng trong các ứng dụng này, cần lưu ý đến các yêu cầu kỹ thuật cụ thể và tuân thủ các quy định an toàn. Việc kiểm tra chất lượng và xác thực tiêu chuẩn sản phẩm là rất quan trọng để đảm bảo an toàn và hiệu quả trong quá trình sử dụng.
Các Ứng Dụng Thực Tiễn của BS 4504 PN16 flange dimensions trong Ngành Công Nghiệp
Ứng Dụng trong Ngành Dầu Khí và Năng Lượng
Trong ngành dầu khí và năng lượng, mặt bích BS 4504 PN16 được sử dụng rộng rãi để kết nối các đường ống dẫn dầu và khí. Chúng giúp đảm bảo an toàn và hiệu quả trong quá trình vận hành, giảm thiểu nguy cơ rò rỉ và sự cố. Ngoài ra, khả năng chịu áp lực cao của mặt bích cũng là một yếu tố quan trọng giúp chúng hoạt động ổn định trong các điều kiện khắc nghiệt của ngành dầu khí.

Ngành Hóa Chất và Vật Liệu Tiên Tiến
Trong ngành hóa chất, mặt bích BS 4504 PN16 được sử dụng để kết nối các hệ thống vận chuyển hóa chất, đảm bảo an toàn và ngăn chặn sự rò rỉ của các chất hóa học nguy hiểm. Khả năng chống ăn mòn của mặt bích giúp chúng hoạt động hiệu quả trong các môi trường hóa chất khắc nghiệt, bảo vệ hệ thống khỏi sự ăn mòn và hư hỏng.
Hệ Thống Cấp Thoát Nước và Cơ Sở Hạ Tầng Xây Dựng
Trong hệ thống cấp thoát nước và cơ sở hạ tầng xây dựng, mặt bích BS 4504 PN16 đóng vai trò quan trọng trong việc kết nối các đường ống dẫn nước và khí. Chúng giúp đảm bảo sự ổn định và an toàn cho hệ thống, ngăn chặn sự rò rỉ và giảm thiểu chi phí bảo trì. Ngoài ra, việc sử dụng mặt bích còn giúp tối ưu hóa không gian và chi phí xây dựng.
Các Ngành Công Nghiệp Khác
Mặt bích BS 4504 PN16 còn được ứng dụng trong nhiều ngành công nghiệp khác như hàng không, hàng hải, và sản xuất máy móc. Trong ngành hàng không, chúng được sử dụng để kết nối các hệ thống dẫn khí và nhiên liệu, đảm bảo an toàn và hiệu quả trong quá trình vận hành. Trong ngành hàng hải, mặt bích giúp kết nối các hệ thống dẫn nước và khí, đảm bảo sự ổn định và an toàn cho tàu thuyền.
Những Lưu Ý Khi Lựa Chọn và Sử Dụng Mặt Bích BS 4504 PN16
Kiểm Tra Chất Lượng và Xác Thực Tiêu Chuẩn Sản Phẩm
Khi lựa chọn mặt bích BS 4504 PN16, việc kiểm tra chất lượng và xác thực tiêu chuẩn sản phẩm là rất quan trọng. Các doanh nghiệp cần đảm bảo rằng sản phẩm đáp ứng đầy đủ các tiêu chuẩn kỹ thuật và an toàn, tránh mua phải hàng giả, hàng kém chất lượng. Việc kiểm tra có thể bao gồm kiểm tra kích thước, độ bền, và khả năng chịu áp lực của mặt bích.
Hướng Dẫn Lắp Đặt An Toàn và Hiệu Quả BS 4504 PN16 flange dimensions
Việc lắp đặt mặt bích BS 4504 PN16 cần tuân thủ các hướng dẫn an toàn và kỹ thuật để đảm bảo hiệu quả và an toàn cho hệ thống. Các bước lắp đặt bao gồm kiểm tra kích thước và vị trí lắp đặt, sử dụng các công cụ và thiết bị phù hợp, và tuân thủ các quy định an toàn. Ngoài ra, việc kiểm tra và bảo trì định kỳ cũng là yếu tố quan trọng để đảm bảo hệ thống hoạt động ổn định.
Cách Bảo Quản và Bảo Trì để Kéo Dài Tuổi Thọ Sản Phẩm
Để kéo dài tuổi thọ của mặt bích BS 4504 PN16, việc bảo quản và bảo trì đúng cách là rất quan trọng. Các doanh nghiệp cần lưu ý bảo quản mặt bích ở nơi khô ráo, tránh tiếp xúc với các chất hóa học và môi trường ẩm ướt. Việc bảo trì định kỳ bao gồm kiểm tra và làm sạch bề mặt, kiểm tra độ bền và khả năng chịu áp lực của mặt bích.
Quy Tắc An Toàn và Lưu Ý pháp Lý Khi Sử Dụng
Khi sử dụng mặt bích BS 4504 PN16, cần tuân thủ các quy tắc an toàn và lưu ý pháp lý để đảm bảo an toàn cho người sử dụng và hệ thống. Các quy tắc an toàn bao gồm việc sử dụng đúng cách các công cụ và thiết bị, tuân thủ các hướng dẫn lắp đặt và bảo trì. Ngoài ra, việc tuân thủ các quy định pháp lý về an toàn lao động và bảo vệ môi trường cũng là yếu tố quan trọng để đảm bảo sự an toàn và hiệu quả trong quá trình sử dụng.
Kết Luận
BS 4504 PN16 flange dimensions là một trong những tiêu chuẩn quan trọng trong ngành công nghiệp, đóng vai trò then chốt trong việc đảm bảo chất lượng và an toàn cho các hệ thống đường ống. Với các ưu điểm như độ bền cao, khả năng chịu áp lực tốt, và tính tiện lợi trong lắp đặt và bảo trì, mặt bích này đã và đang được ứng dụng rộng rãi trong nhiều ngành công nghiệp. Tuy nhiên, để tận dụng tối đa các lợi ích của mặt bích BS 4504 PN16, việc lựa chọn, lắp đặt, và bảo trì đúng cách là rất quan trọng. Hy vọng bài viết này đã cung cấp cho bạn những thông tin hữu ích về mặt bích BS 4504 PN16 và giúp bạn có cái nhìn toàn diện hơn về tầm quan trọng của chúng trong ngành công nghiệp hiện đại.
Rất mong các bạn quan tâm và theo dõi inoxmen.vn để cập nhật thông tin mới nhất về BS 4504 PN16 flange dimensions!